Cruze |
||||||||
|
|
|
|||||||

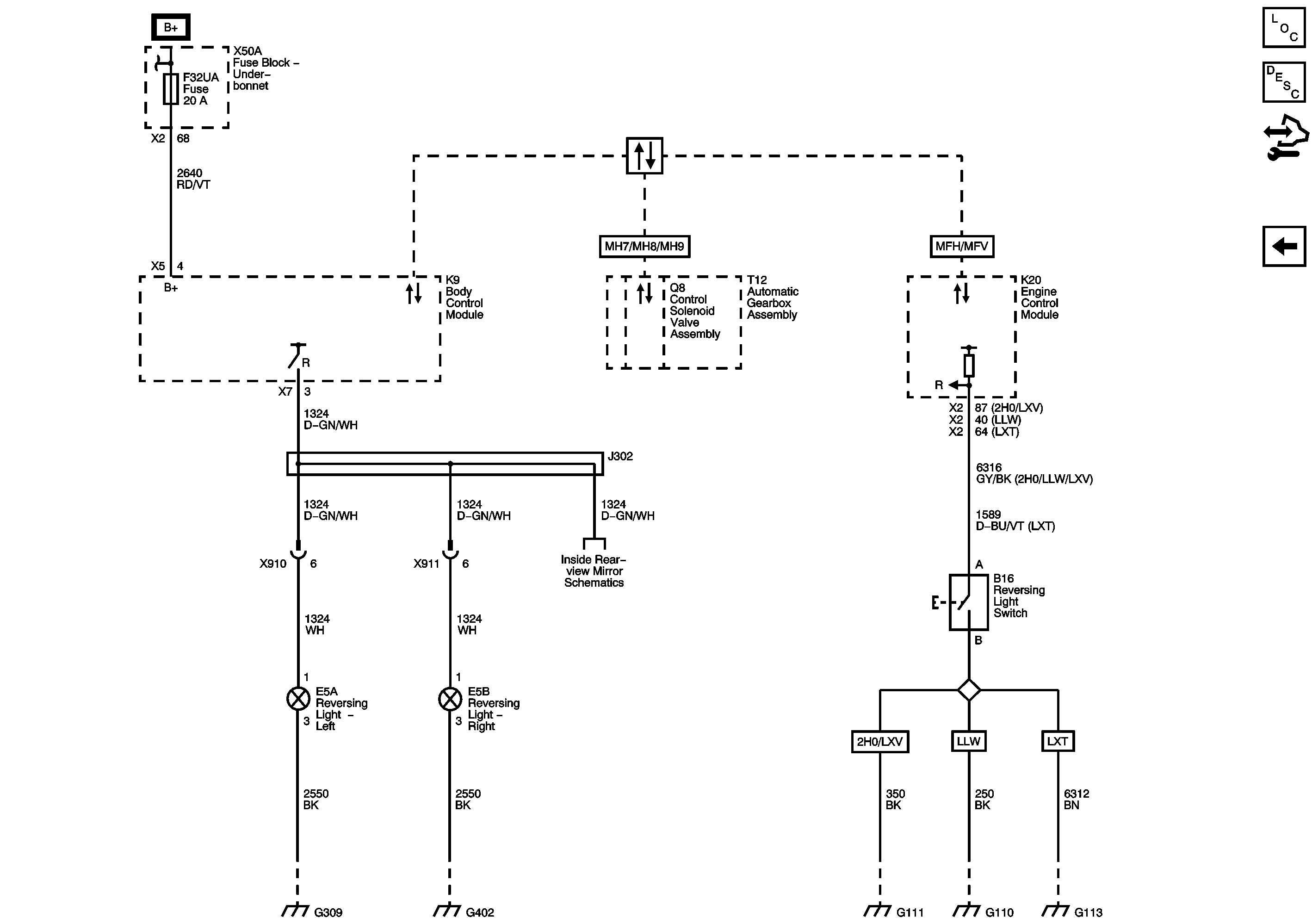
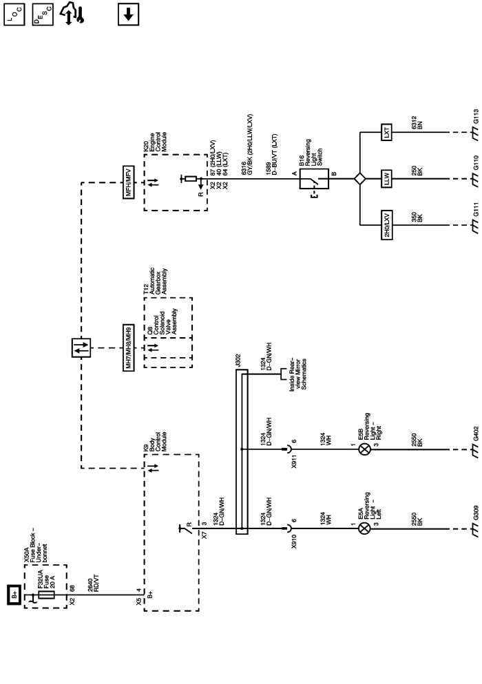
Master Electrical Component List
Exterior Lighting Systems Description and Operation
F2UA, F21UA, F25UA, F27UA, F31UA, F32UA, F34UA, F35UA, F69UA, and F70UA Fuses
G107, G111, and G112 (2H0 or LXV)
| © Copyright Chevrolet. All rights reserved |