To the top of the document
Cruze
   
GMDE Start Page Load static TOC Load dynamic TOC Help?

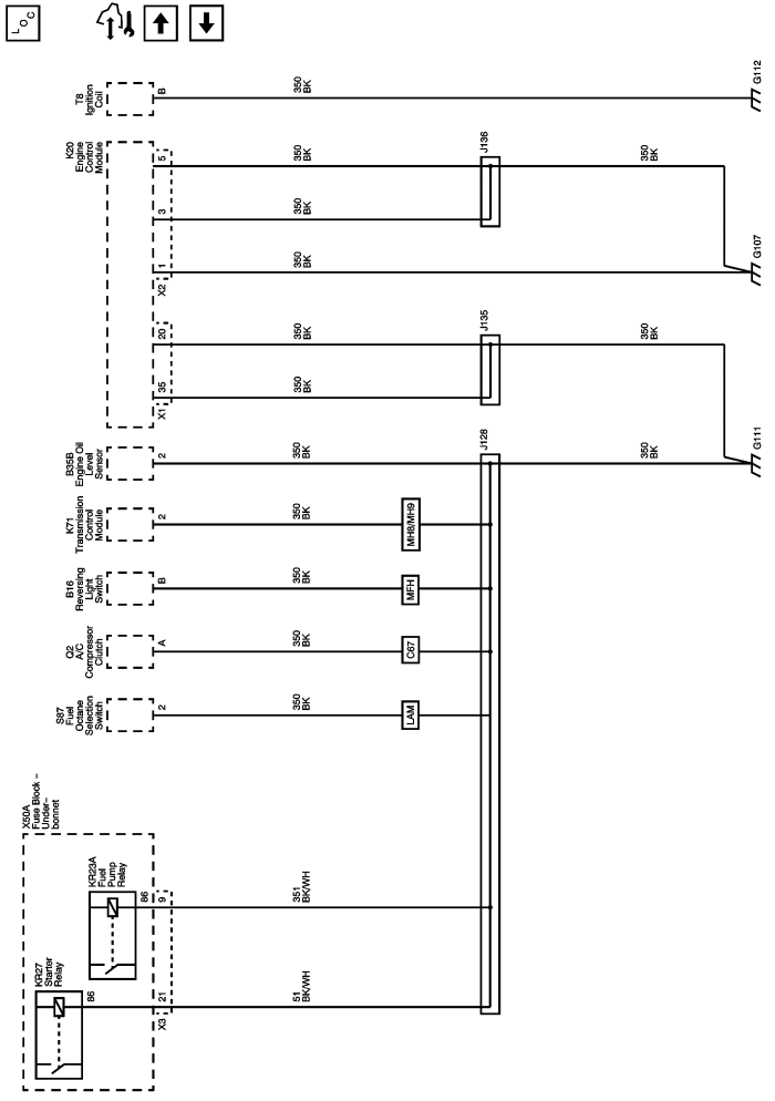
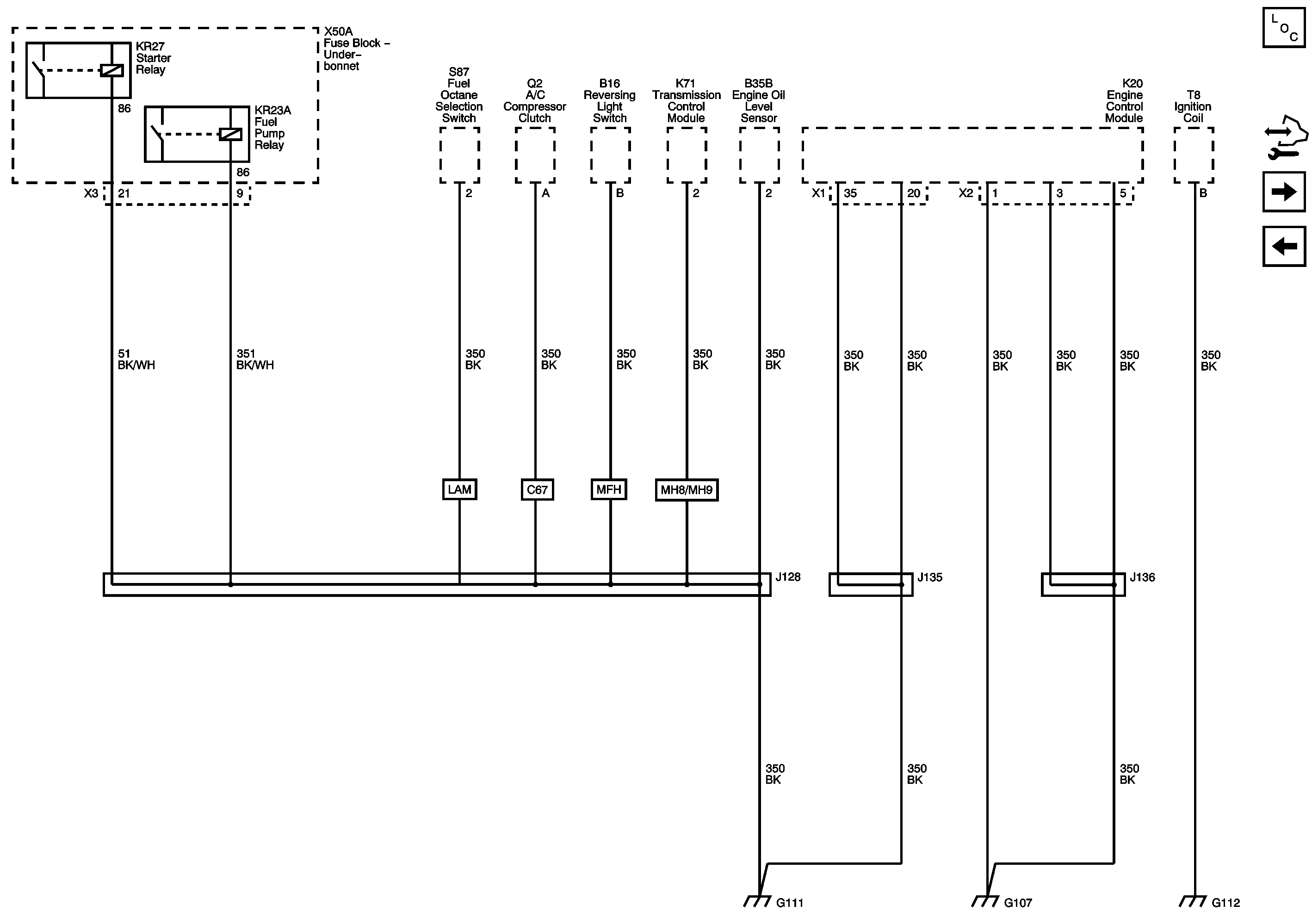
G107, G111, and G112 (2H0 or LXV)



            |                         |            
2443738EN.png

Display graphic

Master Electrical Component List

Control Module References

G113 and G114 (LXT)

G106 and G110 (LLW)

   


© Copyright Chevrolet. All rights reserved