To the top of the document
Cruze
   
GMDE Start Page Load static TOC Load dynamic TOC Help?

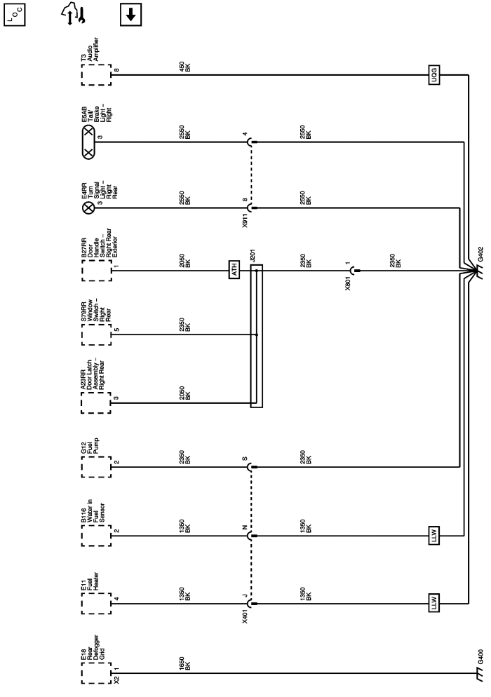
G400 and G402



            |                         |            
2443748EN.png

Display graphic

Master Electrical Component List

Control Module References

G309

   


© Copyright Chevrolet. All rights reserved