To the top of the document
Cruze
   
GMDE Start Page Load static TOC Load dynamic TOC Help?

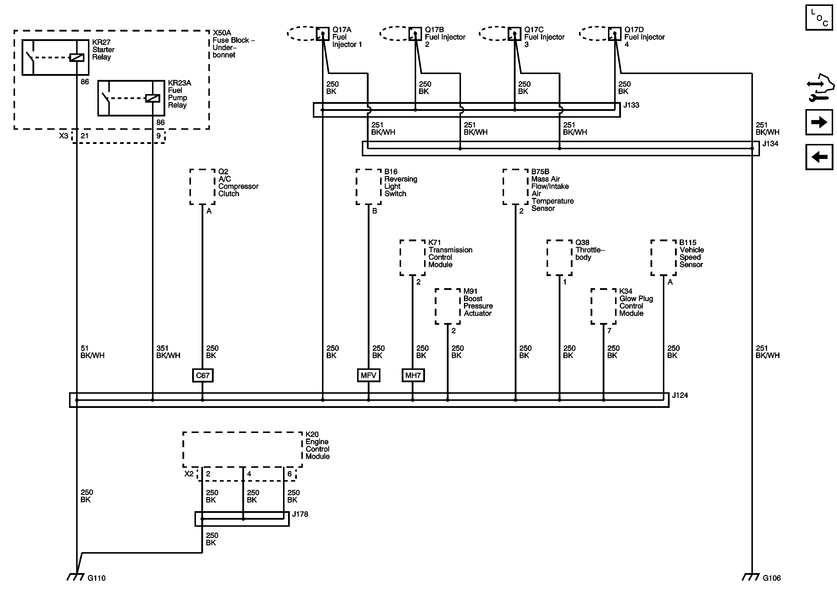
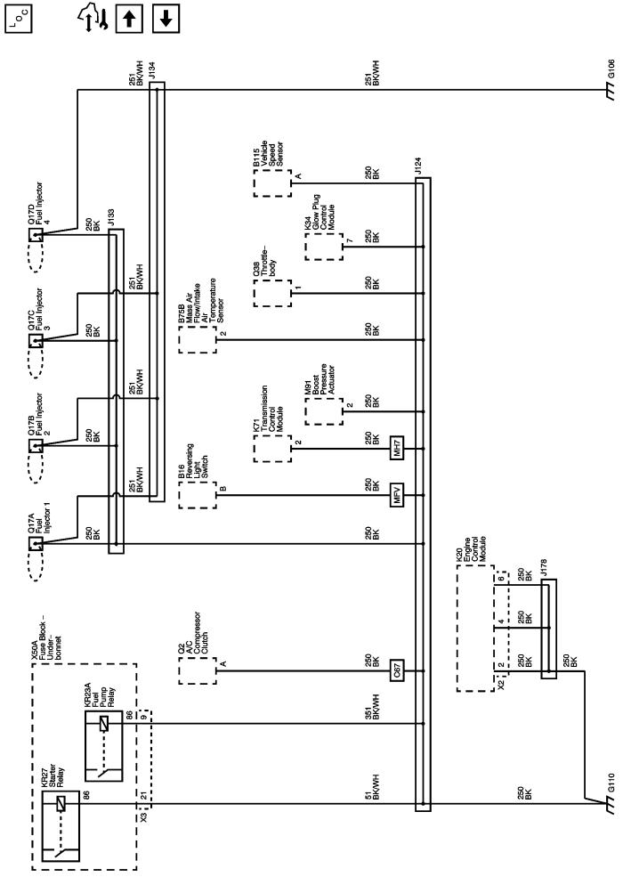
G106 and G110 (LLW)



            |                         |            
2443737EN.png

Display graphic

Master Electrical Component List

Control Module References

G107, G111, and G112 (2H0 or LXV)

G103, G104, and G105

   


© Copyright Chevrolet. All rights reserved