To the top of the document
Cruze
   
GMDE Start Page Load static TOC Load dynamic TOC Help?

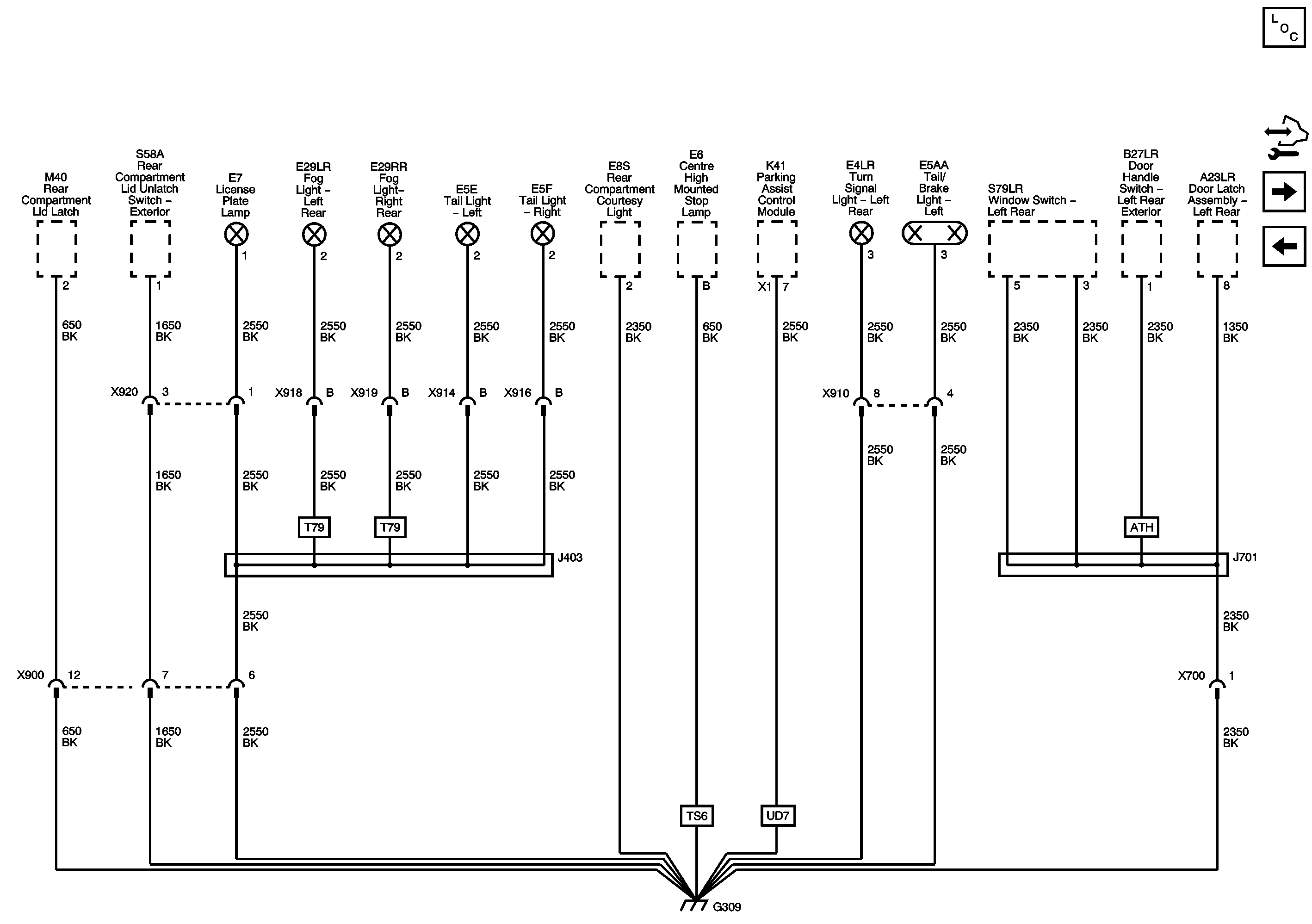
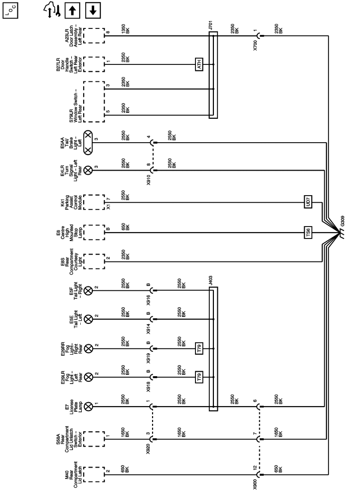
G309



            |                         |            
2443746EN.png

Display graphic

Master Electrical Component List

Control Module References

G400 and G402

G307 and G308

   


© Copyright Chevrolet. All rights reserved