To the top of the document
Cruze
   
GMDE Start Page Load static TOC Load dynamic TOC Help?

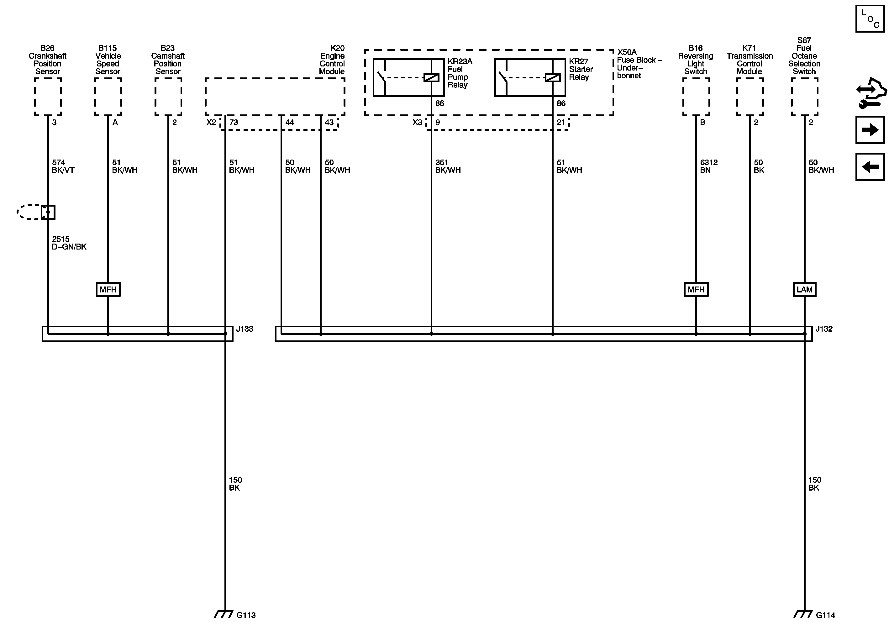
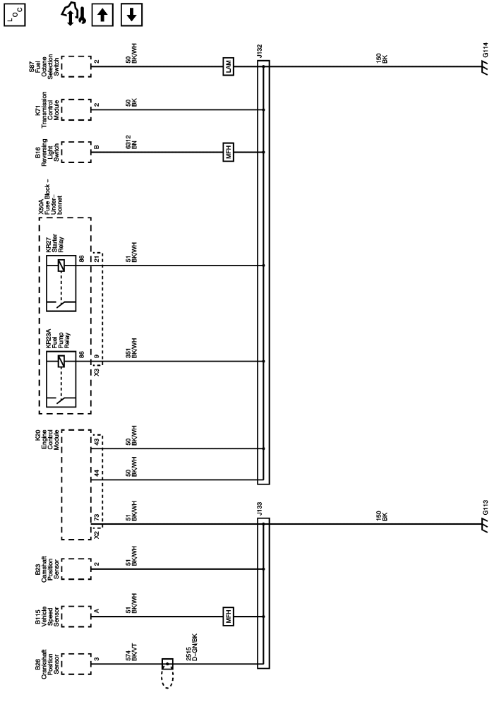
G113 and G114 (LXT)



            |                         |            
2443739EN.png

Display graphic

Master Electrical Component List

Control Module References

G120, G121, G122, G201, and G204

G107, G111, and G112 (2H0 or LXV)

   


© Copyright Chevrolet. All rights reserved