To the top of the document
Cruze
   
GMDE Start Page Load static TOC Load dynamic TOC Help?

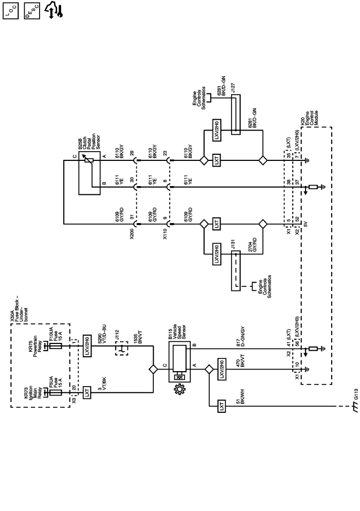
Manual Transmission Schematics

MFH



            |                         |            
2443832EN.png

Display graphic

Master Electrical Component List

Transmission System Description and Operation

Control Module References

Power Moding Schematics

Power, Ground, Serial Data and MIL

F5UA, F13UA, F53UA, and F65UA Fuses

F8UA, F9UA, F10UA, and F11UA Fuses

Controlled/Monitored Subsystem References

G113 and G114 (LXT)

   


© Copyright Chevrolet. All rights reserved