Cruze |
||||||||
|
|
|
|||||||

Master Electrical Component List
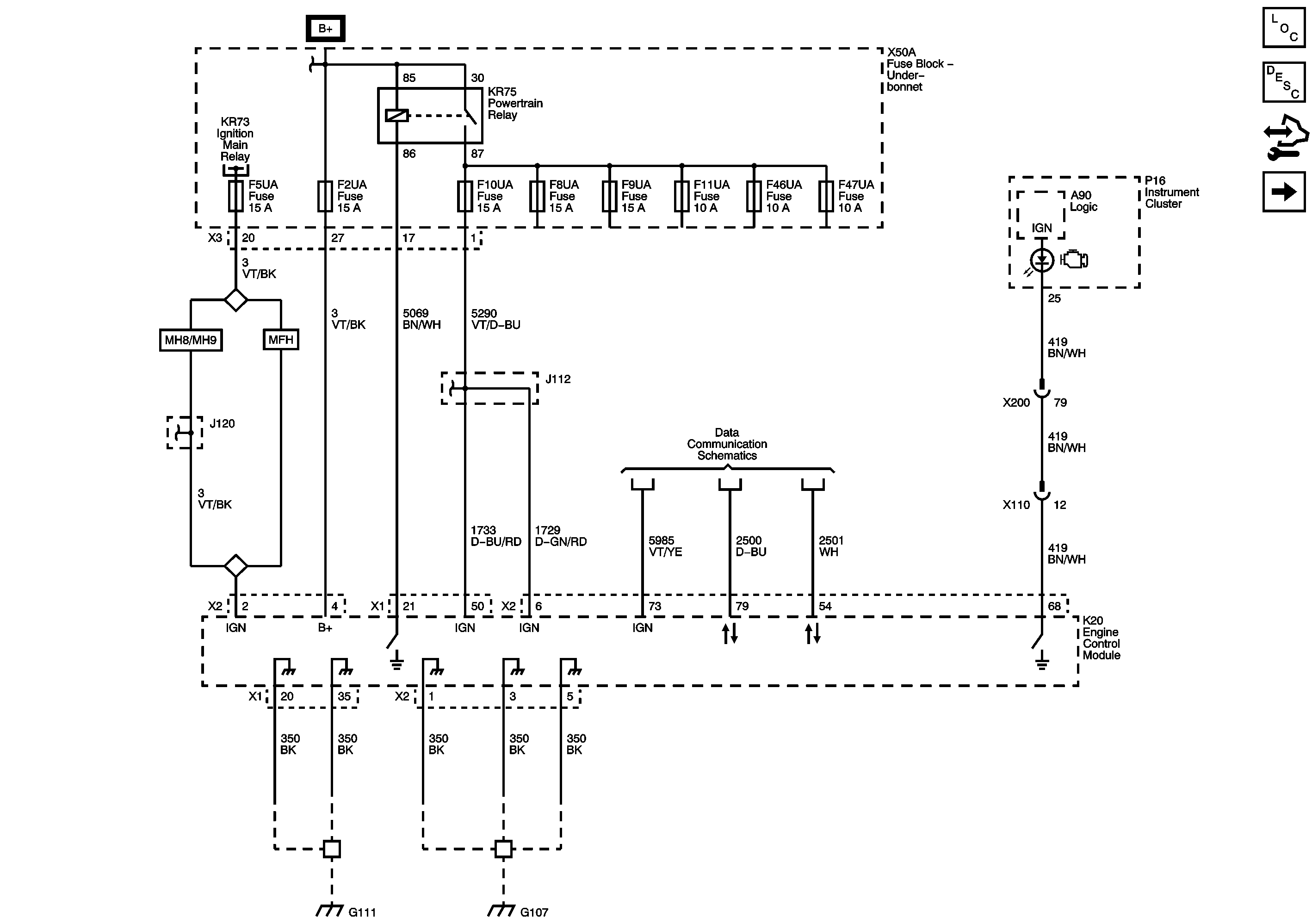
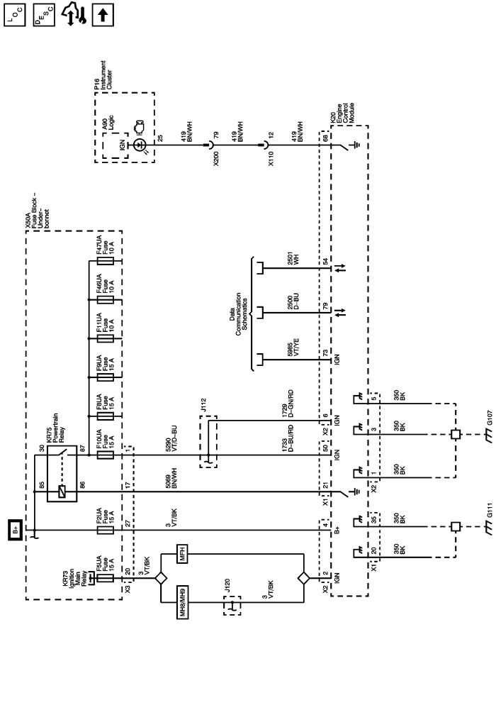
Engine Control Module Description
5V and Low Reference Bus (1 of 2)
F2UA, F21UA, F25UA, F27UA, F31UA, F32UA, F34UA, F35UA, F69UA, and F70UA Fuses
F5UA, F13UA, F53UA, and F65UA Fuses
F8UA, F9UA, F10UA, and F11UA Fuses
Electrical Centre Identification Views
F8UA, F9UA, F10UA, and F11UA Fuses
G107, G111, and G112 (2H0 or LXV)
| © Copyright Chevrolet. All rights reserved |