To the top of the document
Cruze
   
GMDE Start Page Load static TOC Load dynamic TOC Help?

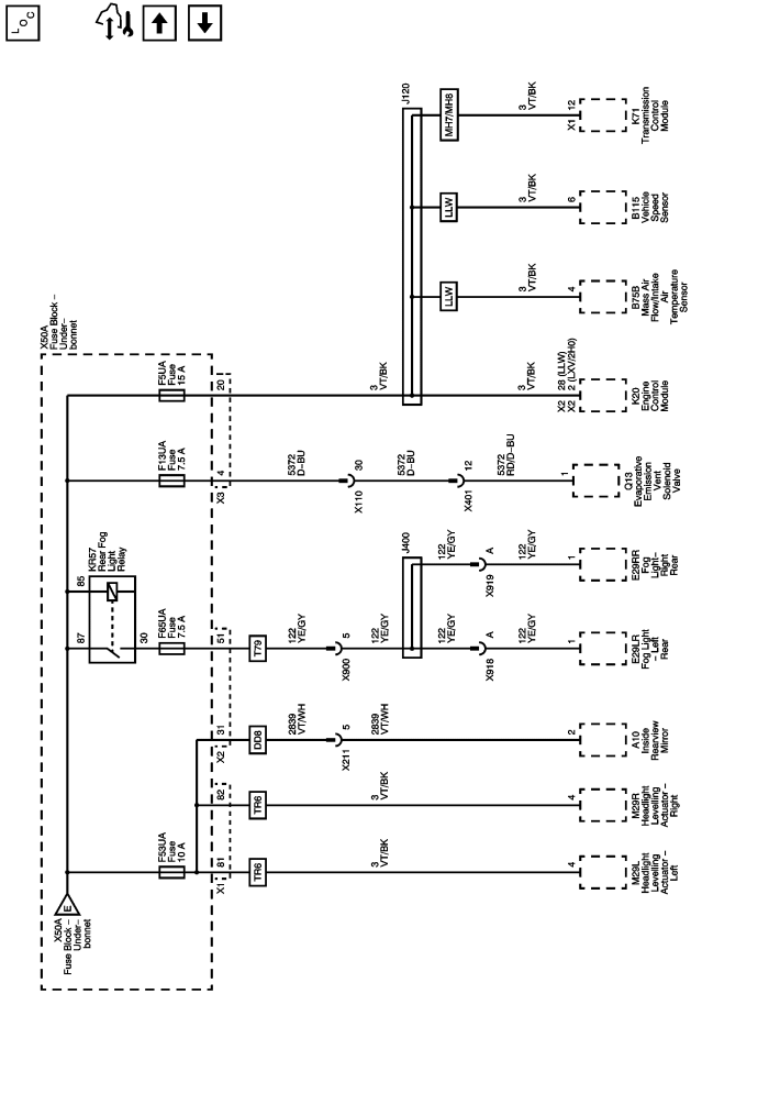
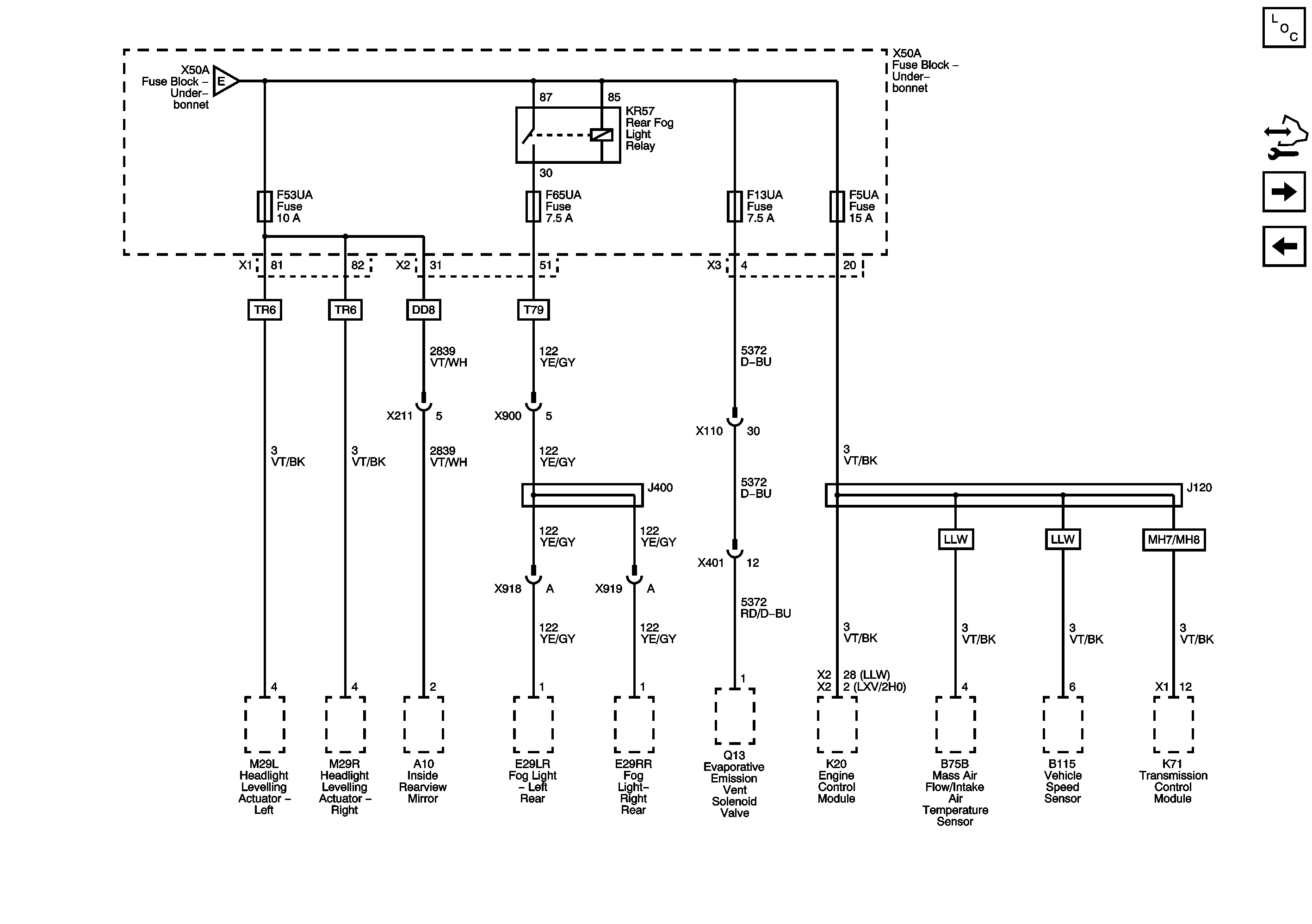
F5UA, F13UA, F53UA, and F65UA Fuses



            |                         |            
2443731EN.png

Display graphic

Master Electrical Component List

Control Module References

F28UA, F37UA, F38UA, F51UA, F56UA, and F60UA Fuses

F16UA, F17UA, F18UA, F20UA, F52UA, F54UA, and F57UA Fuses

   


© Copyright Chevrolet. All rights reserved