To the top of the document
Cruze
   
GMDE Start Page Load static TOC Load dynamic TOC Help?

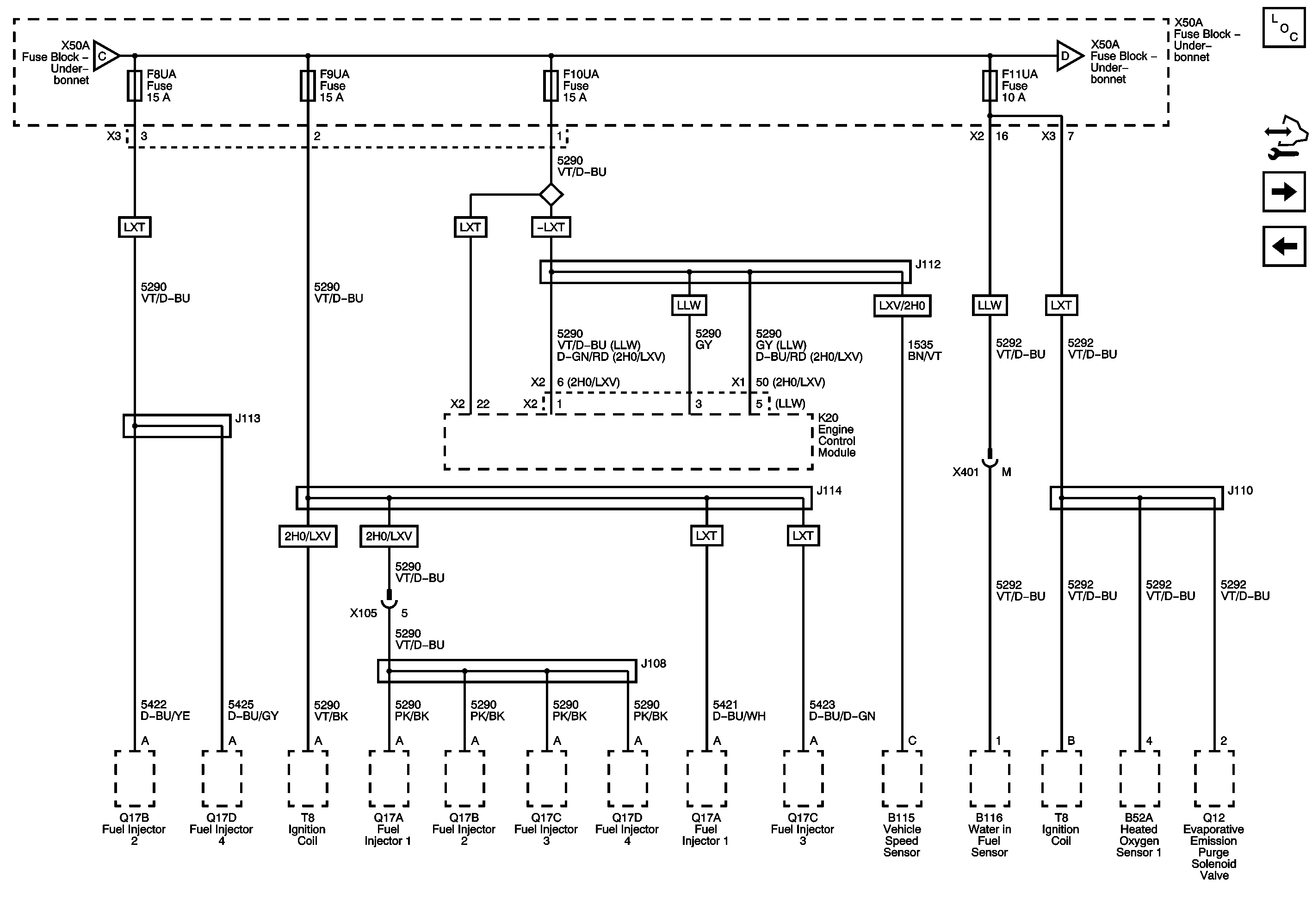
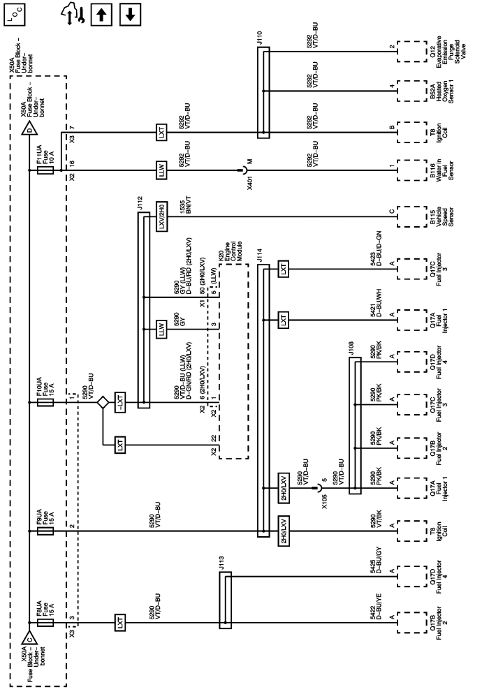
F8UA, F9UA, F10UA, and F11UA Fuses



            |                         |            
2443728EN.png

Display graphic

Master Electrical Component List

Control Module References

F42UA and F46UA Fuses

F47UA, F59UA, and F62UA Fuses

F42UA and F46UA Fuses

   


© Copyright Chevrolet. All rights reserved