Cruze |
||||||||
|
|
|
|||||||

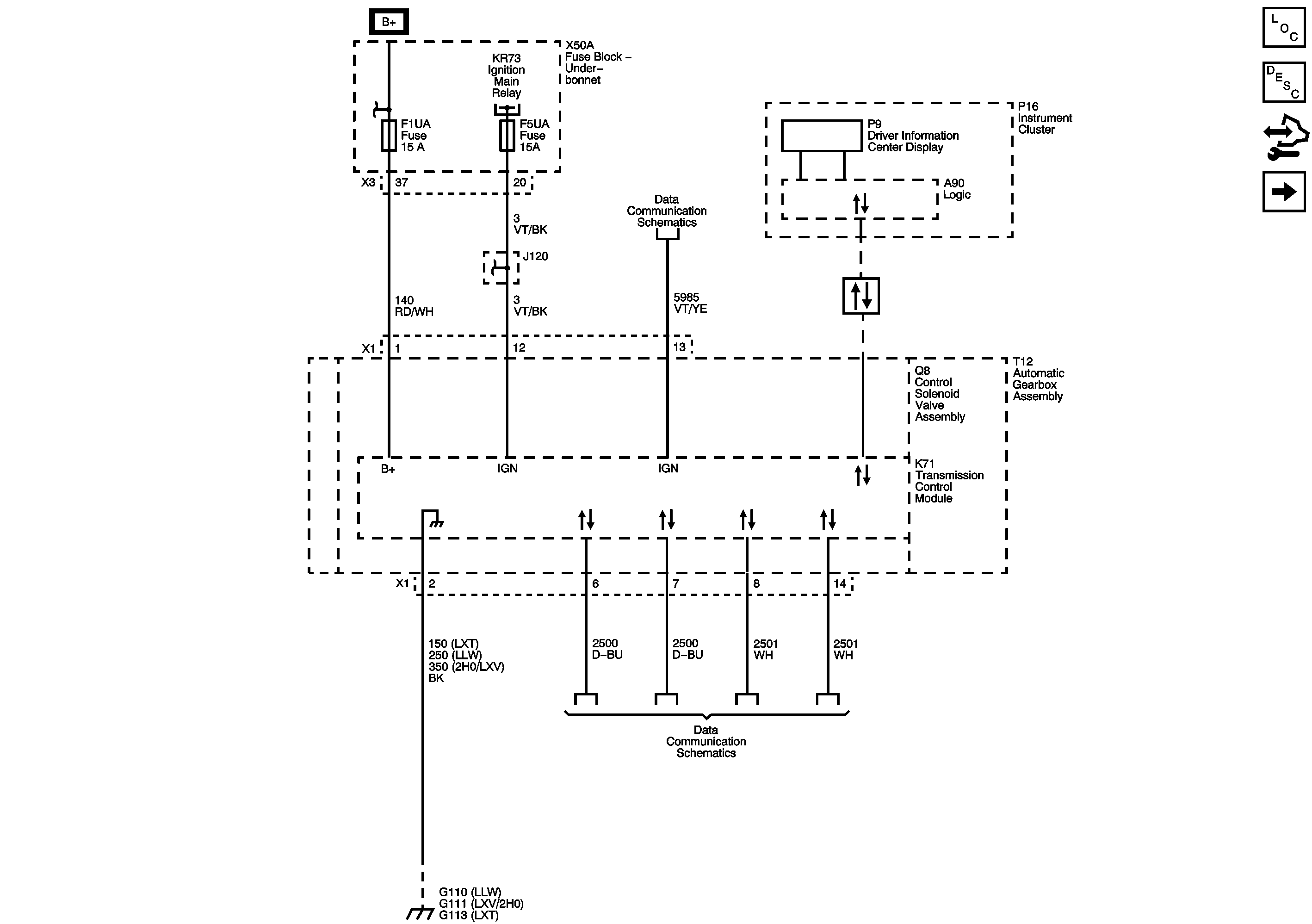
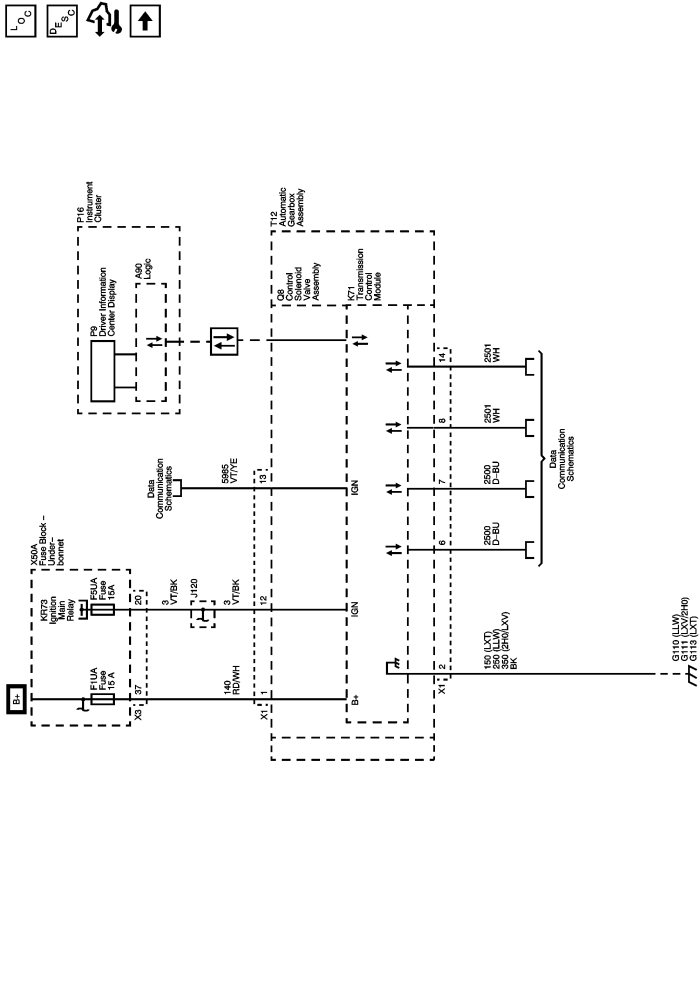
Master Electrical Component List
Electronic Component Description
Temperature and Speed Sensors, Manual Valve, Pressure Controls and Shift Controls
F1UA, F26UA, F30UA, F33UA, F55UA, F64UA, and F67UA Fuses
F5UA, F13UA, F53UA, and F65UA Fuses
Ground Distribution Schematics
| © Copyright Chevrolet. All rights reserved |