To the top of the document
Cruze
   
GMDE Start Page Load static TOC Load dynamic TOC Help?

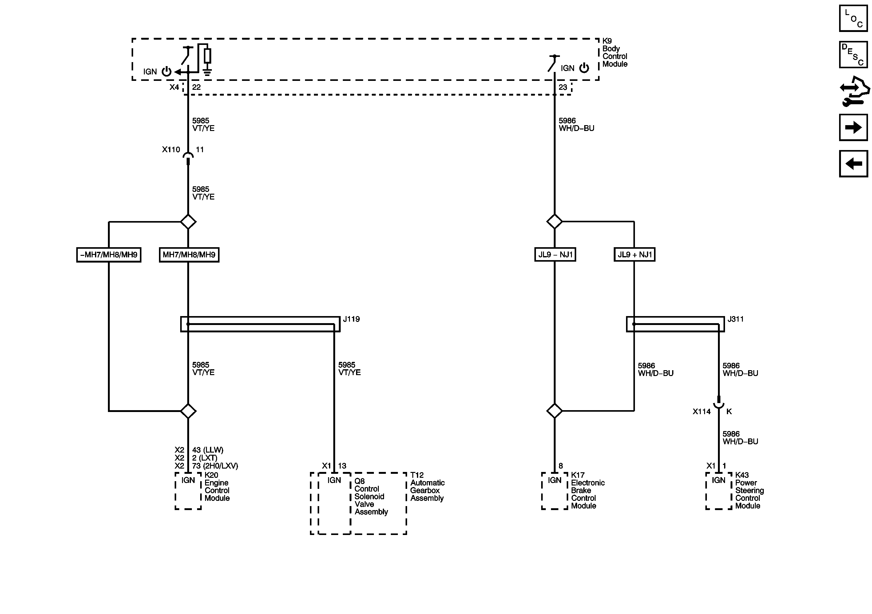
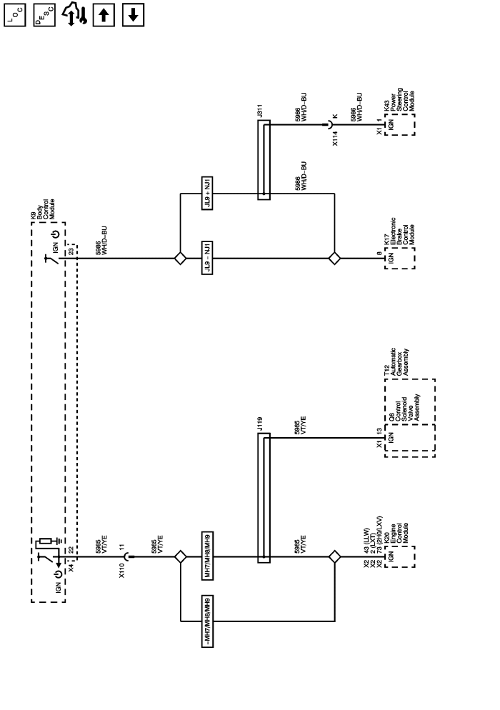
Enable Serial Data



            |                         |            
2443709EN.png

Display graphic

Master Electrical Component List

Data Link Communications Description and Operation

Control Module References

Serial Data Communication Enable (2 of 2)

Chassis Expansion Bus (FX3)

   


© Copyright Chevrolet. All rights reserved