To the top of the document
Cruze
   
GMDE Start Page Load static TOC Load dynamic TOC Help?

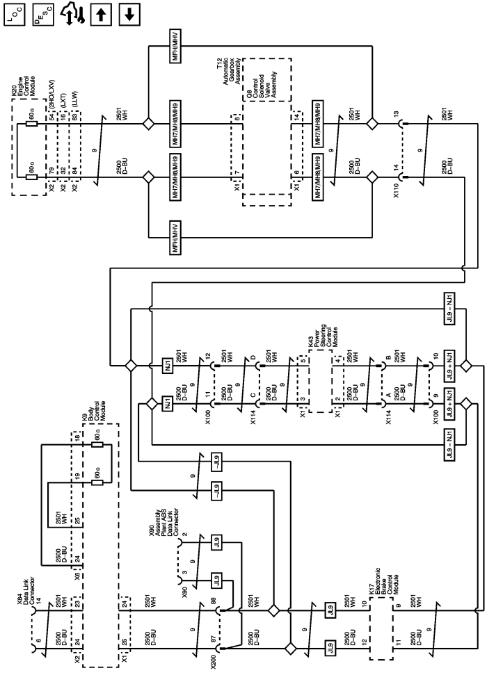
High Speed GMLAN



            |                         |            
2443707EN.png

Display graphic

Master Electrical Component List

Data Link Communications Description and Operation

Control Module References

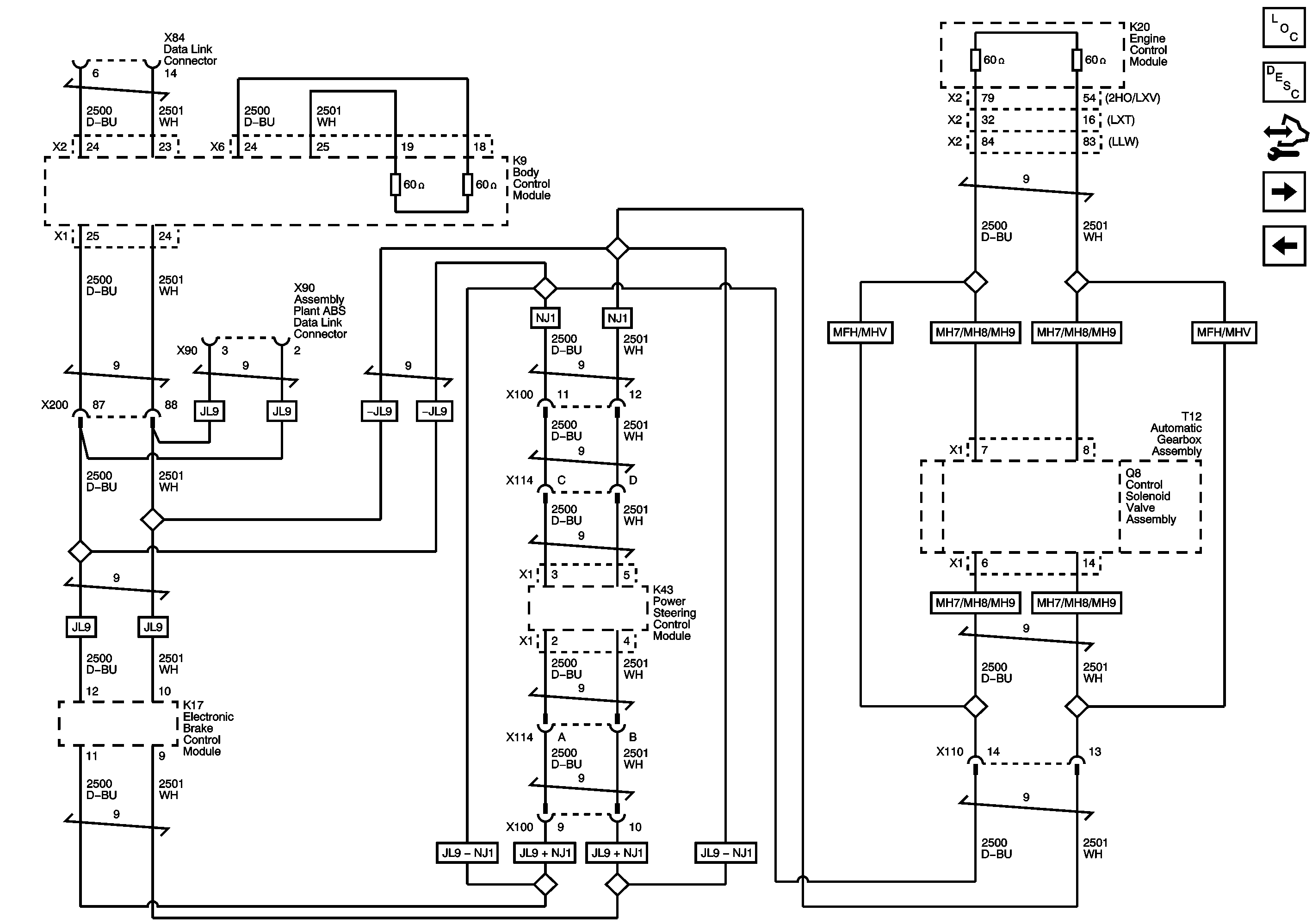
High Speed GMLAN (2 of 2)

Master Electrical Schematic Icons

   


© Copyright Chevrolet. All rights reserved