Cruze |
||||||||
|
|
|
|||||||

Master Electrical Component List
Power Mode Description and Operation
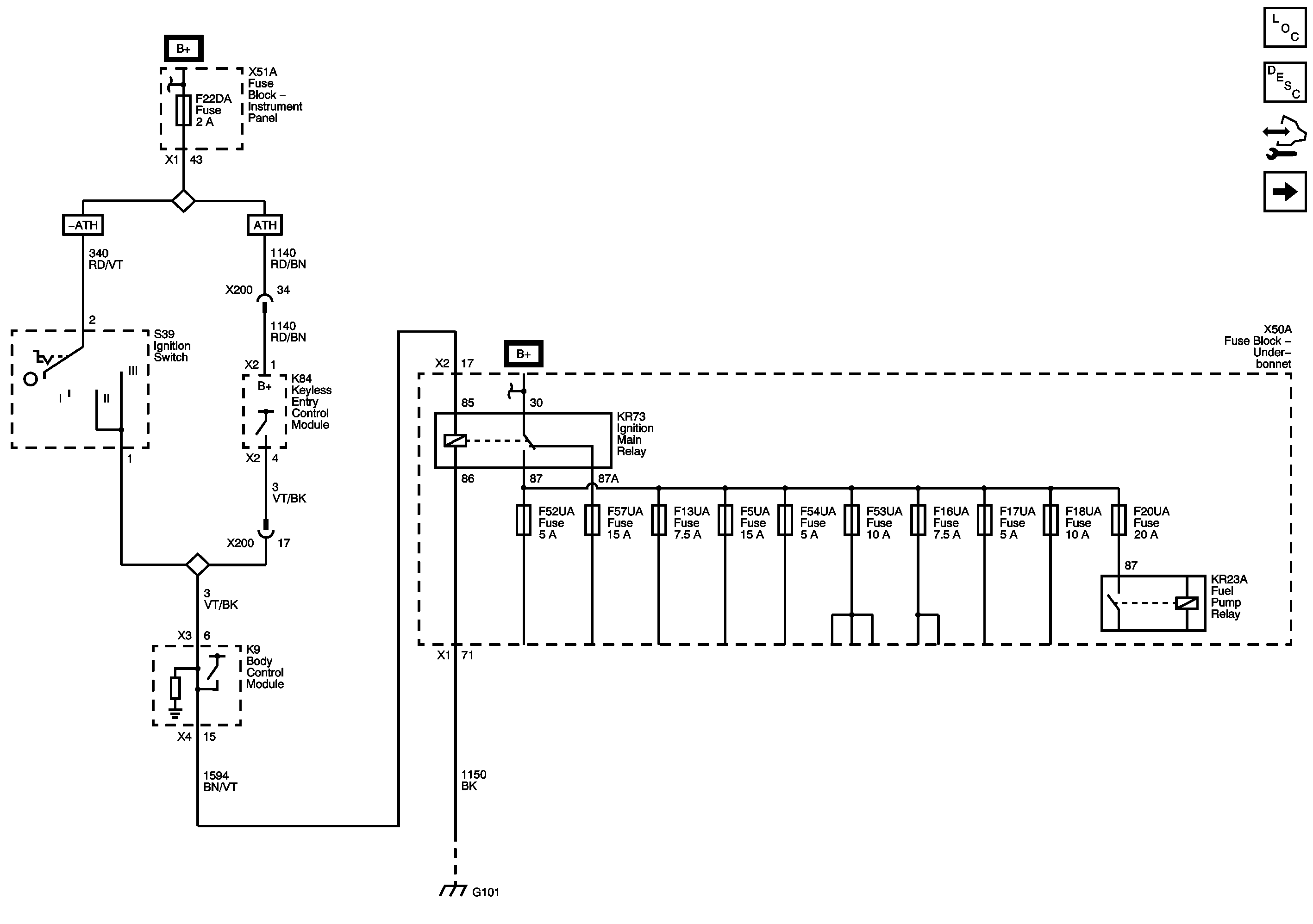
Ignition Switch and Fuse F22DA (without ATH)
Electrical Centre Identification Views
F16UA, F17UA, F18UA, F20UA, F52UA, F54UA, and F57UA Fuses
| © Copyright Chevrolet. All rights reserved |