To the top of the document
Cruze
   
GMDE Start Page Load static TOC Load dynamic TOC Help?

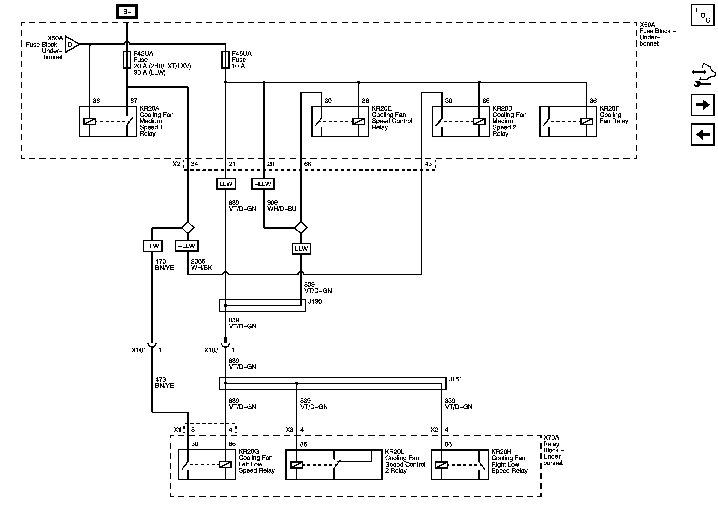
F42UA and F46UA Fuses



            |                         |            
2443729EN.png

Display graphic

Master Electrical Component List

Control Module References

F16UA, F17UA, F18UA, F20UA, F52UA, F54UA, and F57UA Fuses

F8UA, F9UA, F10UA, and F11UA Fuses

   


© Copyright Chevrolet. All rights reserved