To the top of the document
Cruze
   
GMDE Start Page Load static TOC Load dynamic TOC Help?

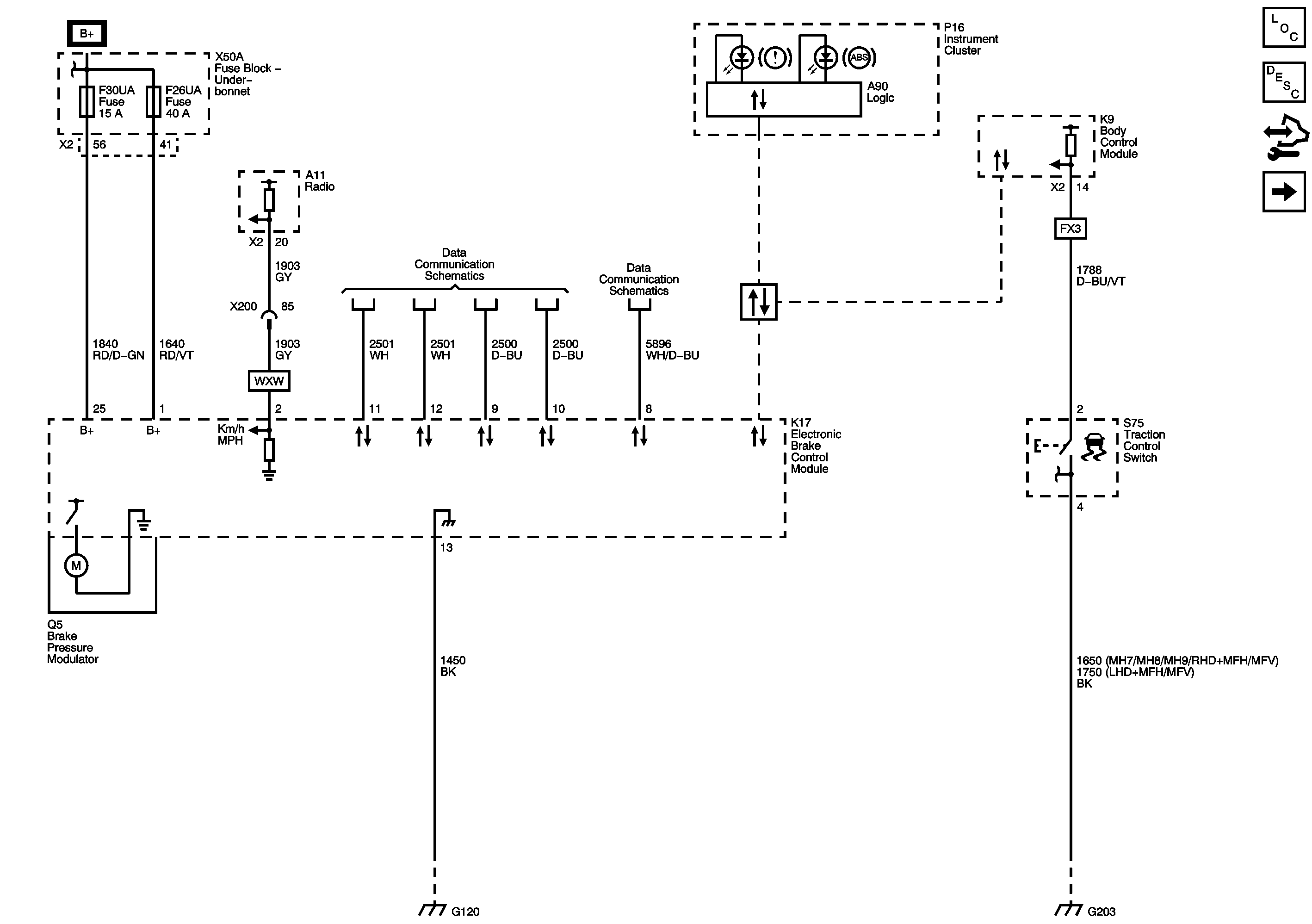
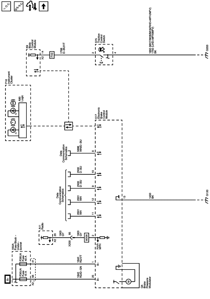
Power, Ground, Serial Data, and Traction Control



            |                         |            
2443473EN.png

Display graphic

Master Electrical Component List

ABS Description and Operation

Control Module References

Wheel Speed Sensors

F1UA, F26UA, F30UA, F33UA, F55UA, F64UA, and F67UA Fuses

High Speed GMLAN

Enable Serial Data

Data Communication Schematics

G120, G121, G122, G201, and G204

G203

   


© Copyright Chevrolet. All rights reserved