To the top of the document
Cruze
   
GMDE Start Page Load static TOC Load dynamic TOC Help?

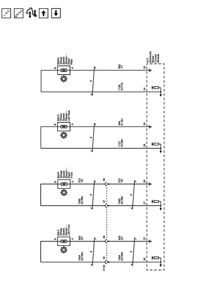
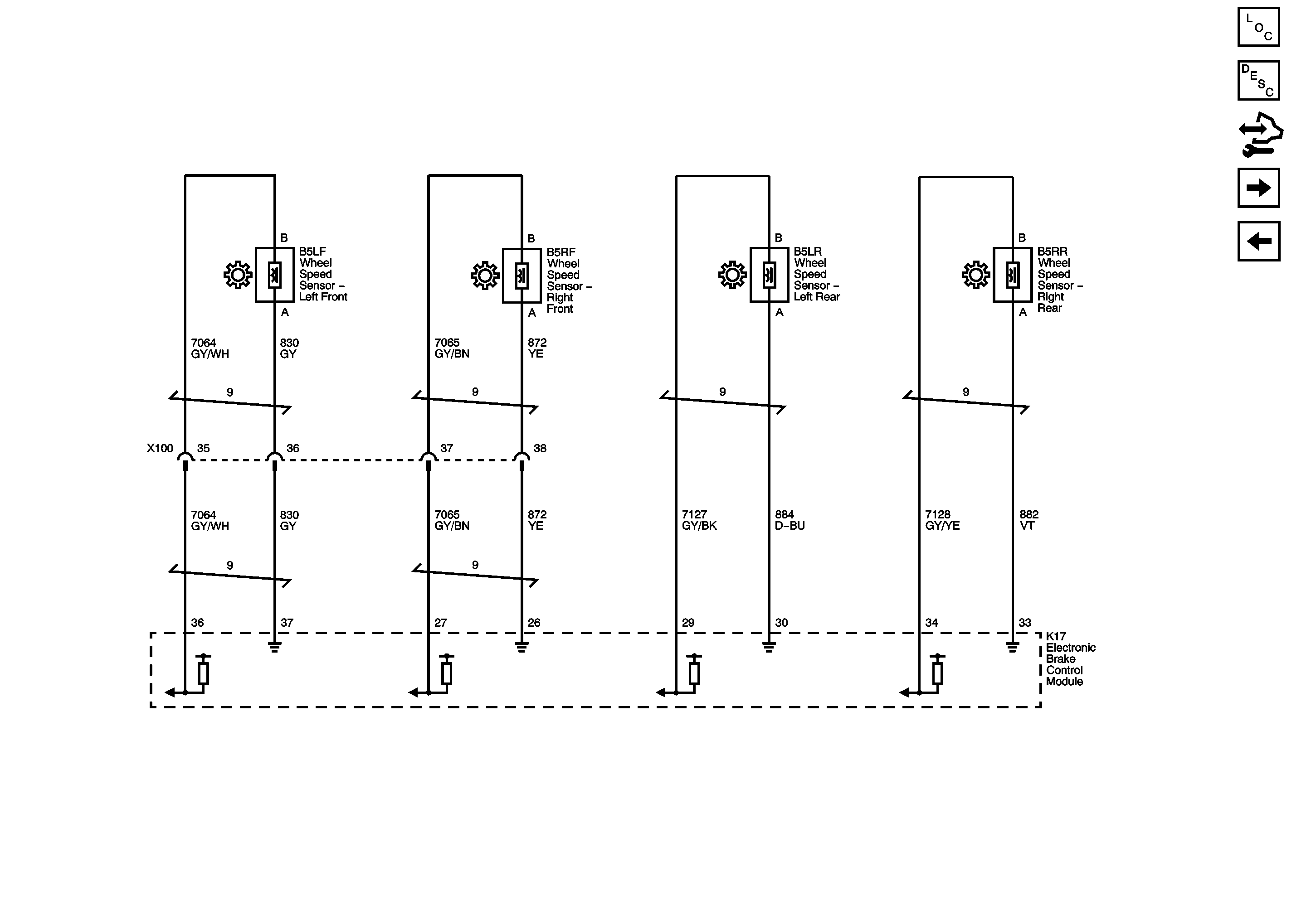
Wheel Speed Sensors



            |                         |            
2443476EN.png

Display graphic

Master Electrical Component List

ABS Description and Operation

Control Module References

Steering Angle and Rotation Rate Sensor (FX3)

Power, Ground and Serial Data

Master Electrical Schematic Icons

   


© Copyright Chevrolet. All rights reserved