To the top of the document
Cruze
   
GMDE Start Page Load static TOC Load dynamic TOC Help?

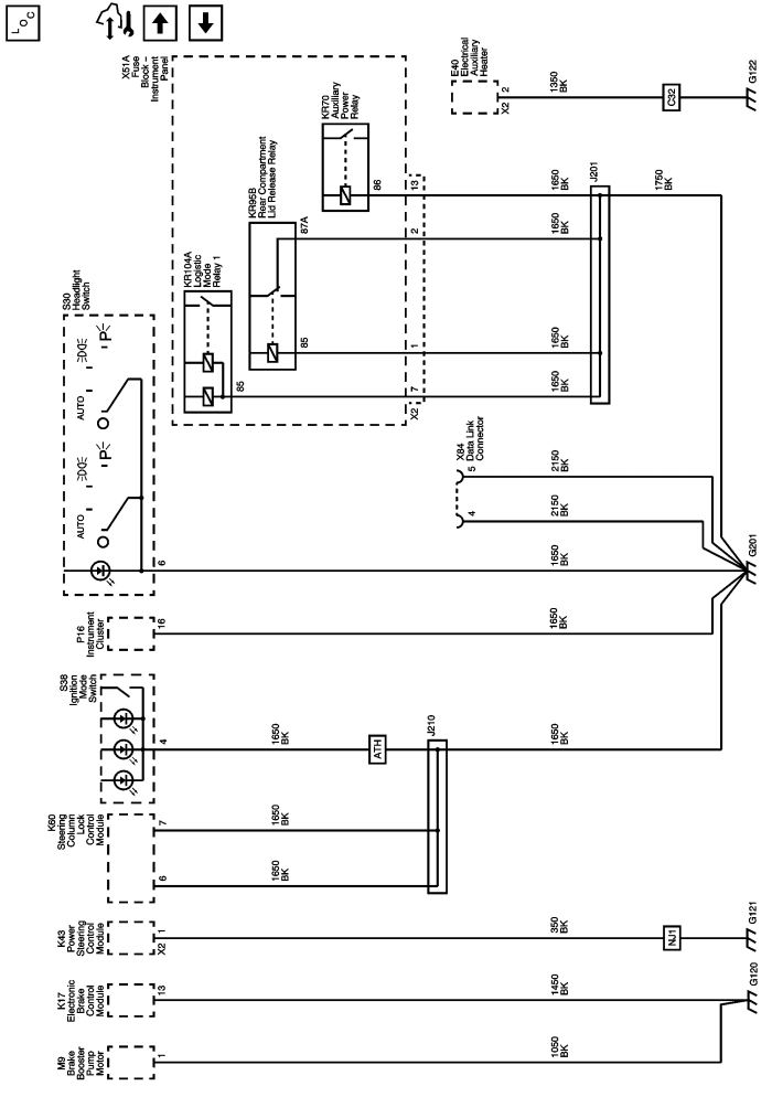
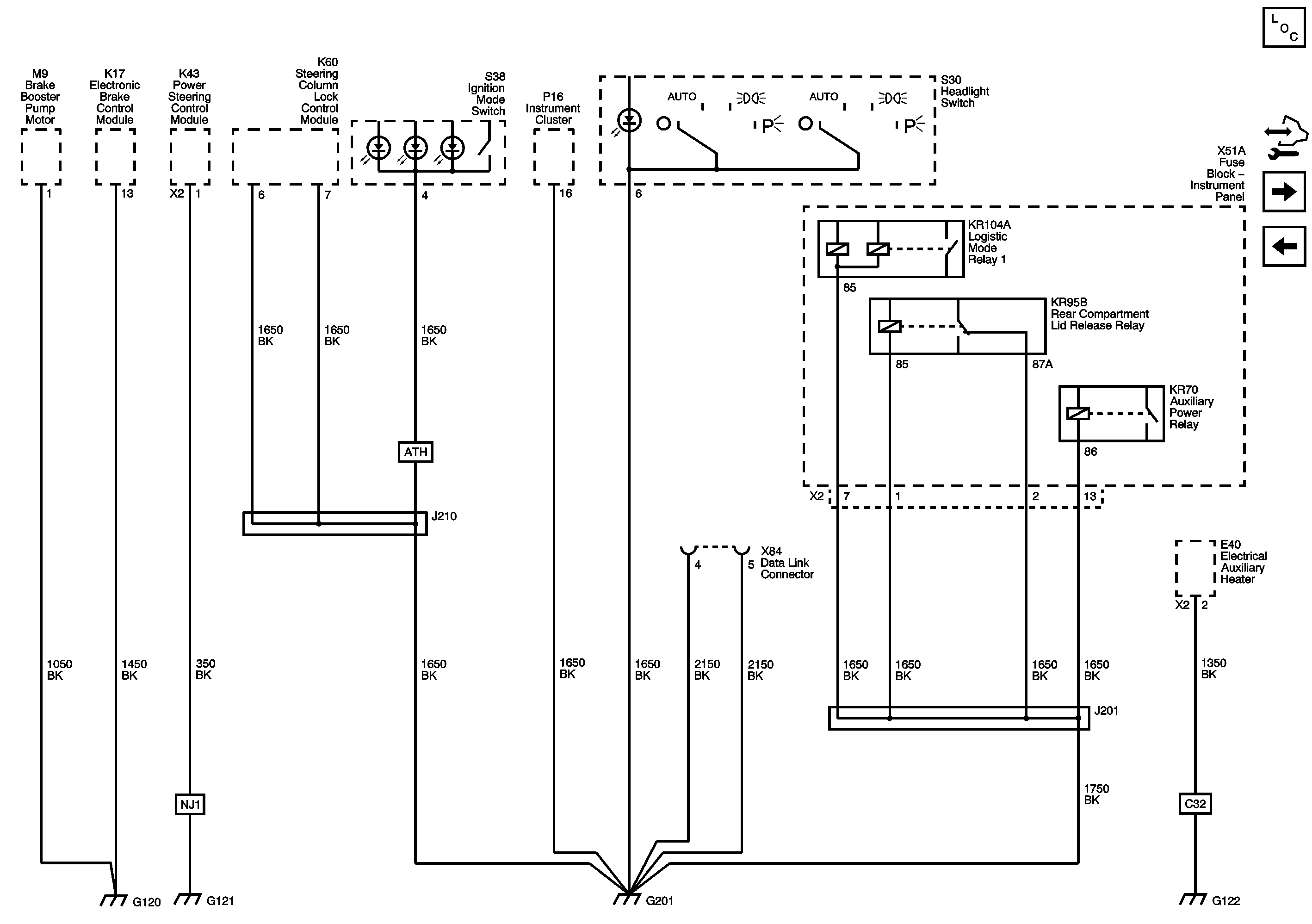
G120, G121, G122, and G201



            |                         |            
2443740EN.png

Display graphic

Master Electrical Component List

Control Module References

G202

G113 and G114 (LXT)

   


© Copyright Chevrolet. All rights reserved