To the top of the document
Cruze
   
GMDE Start Page Load static TOC Load dynamic TOC Help?

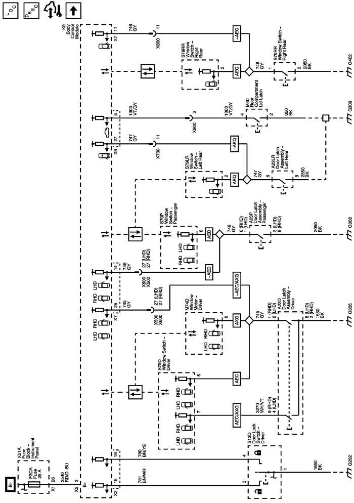
Switches



            |                         |            
2443451EN.png

Display graphic

Master Electrical Component List

Door Ajar Indicator Description and Operation

Control Module References

Actuators (without AF8)

F3DA, F3UD, F6UD, F8DA, F9DA, F10DA, F11DA, and F16DA Fuses

Data Communication Schematics

G202

G204 and G305

G307 and G308

G309

G400 and G402

   


© Copyright Chevrolet. All rights reserved