Cruze |
||||||||
|
|
|
|||||||

Master Electrical Component List
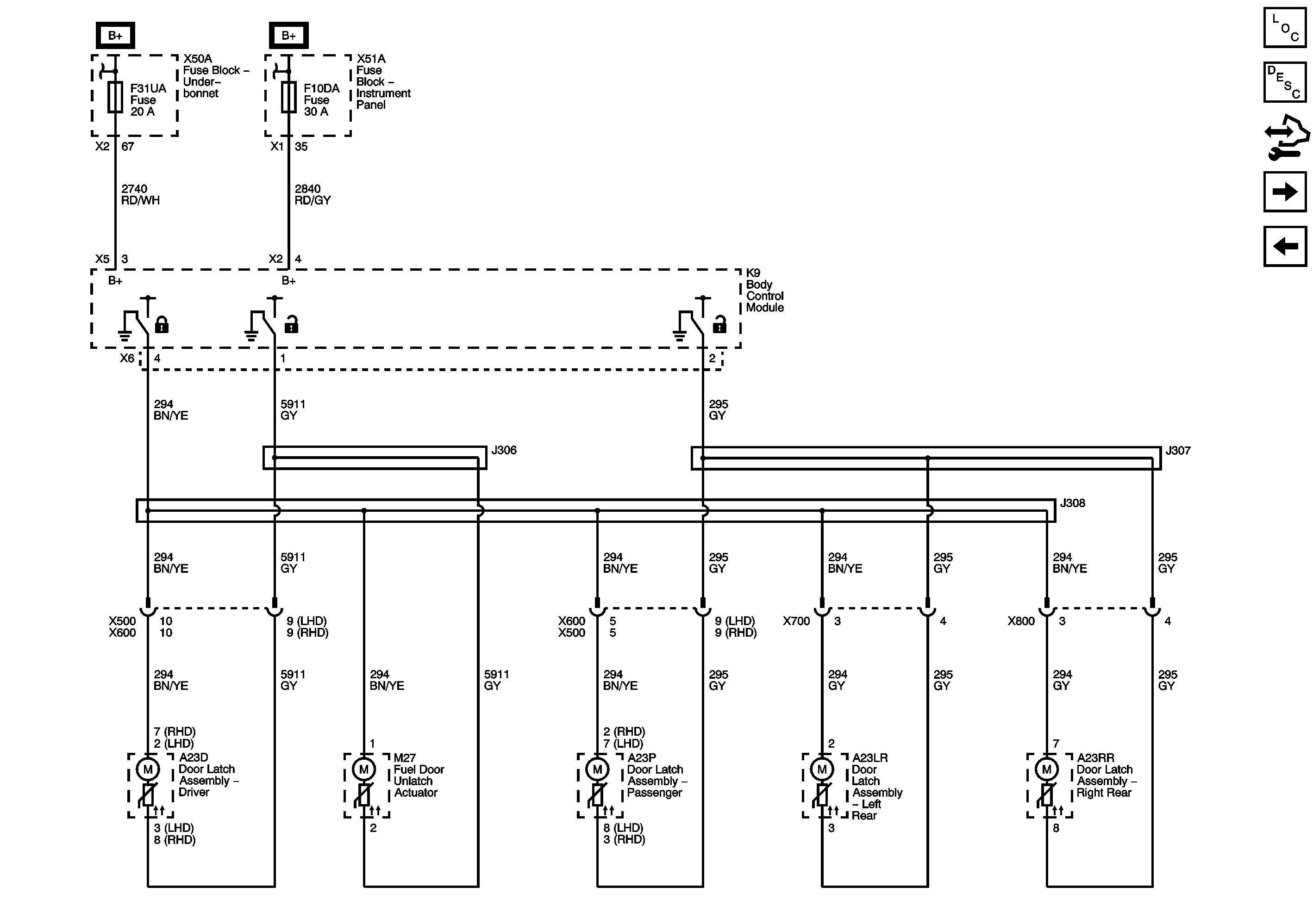
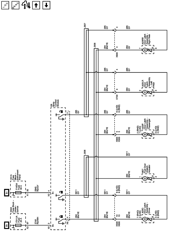
Power Door Locks Description and Operation
F2UA, F21UA, F25UA, F27UA, F31UA, F32UA, F34UA, F35UA, F69UA, and F70UA Fuses
F3DA, F3UD, F6UD, F8DA, F9DA, F10DA, F11DA, and F16DA Fuses
| © Copyright Chevrolet. All rights reserved |