To the top of the document
Cruze
   
GMDE Start Page Load static TOC Load dynamic TOC Help?

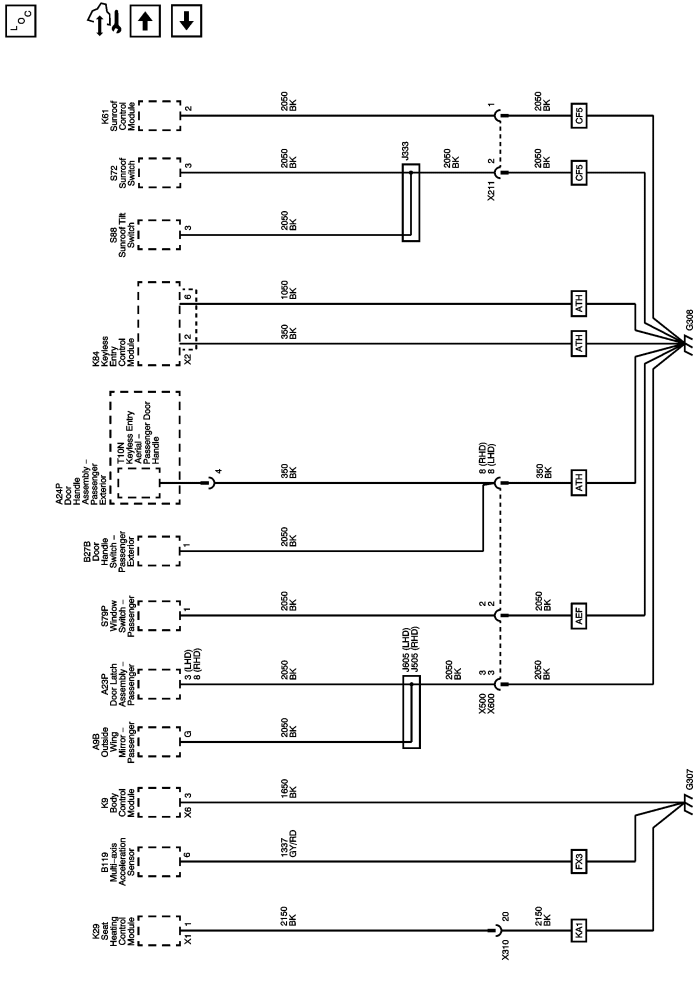
G307 and G308



            |                         |            
2443744EN.png

Display graphic

Master Electrical Component List

Control Module References

G309

G204 and G305

   


© Copyright Chevrolet. All rights reserved