Cruze |
||||||||
|
|
|
|||||||

Master Electrical Component List
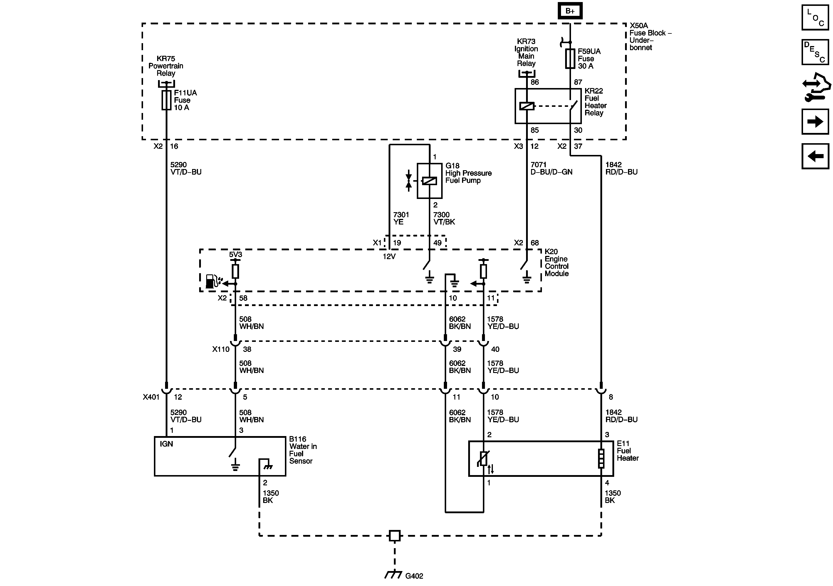
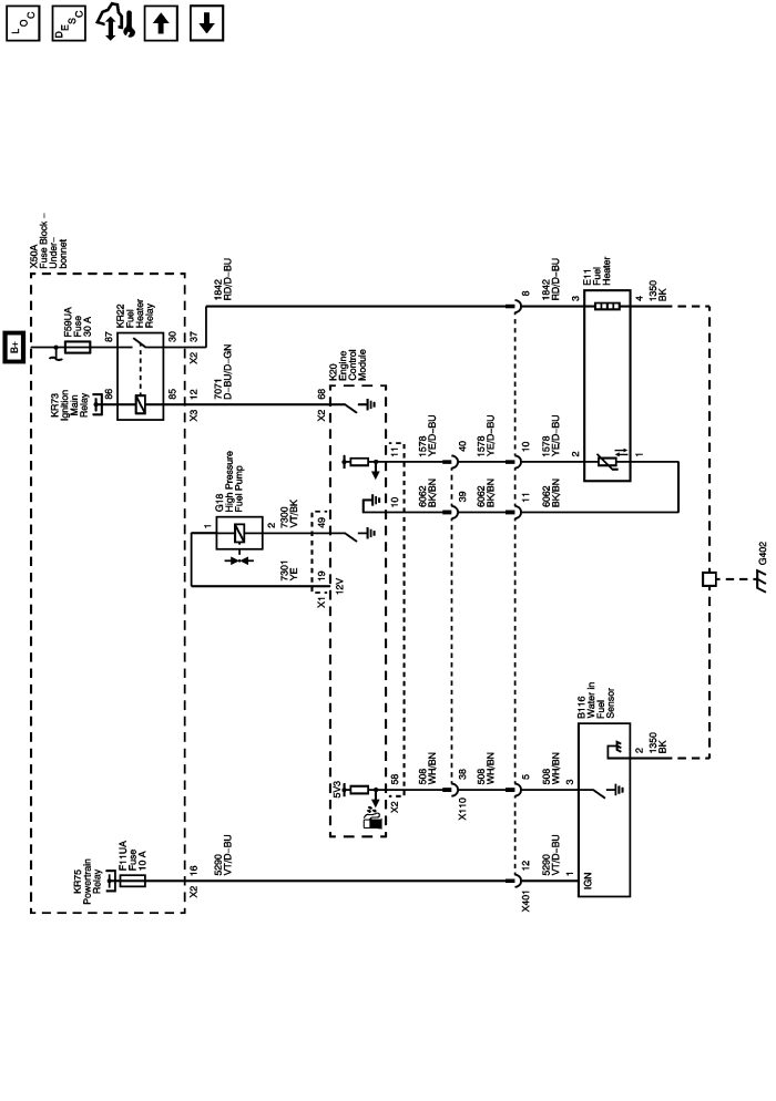
Engine Control Module Description
Controlled/Monitored Subsystem References
Engine Data Sensors - Exhaust and Turbocharger
F5UB, F6UB, F24UA, F45UA, and F48UA Fuses
Electrical Centre Identification Views
| © Copyright Chevrolet. All rights reserved |