Cruze |
||||||||
|
|
|
|||||||

Master Electrical Component List
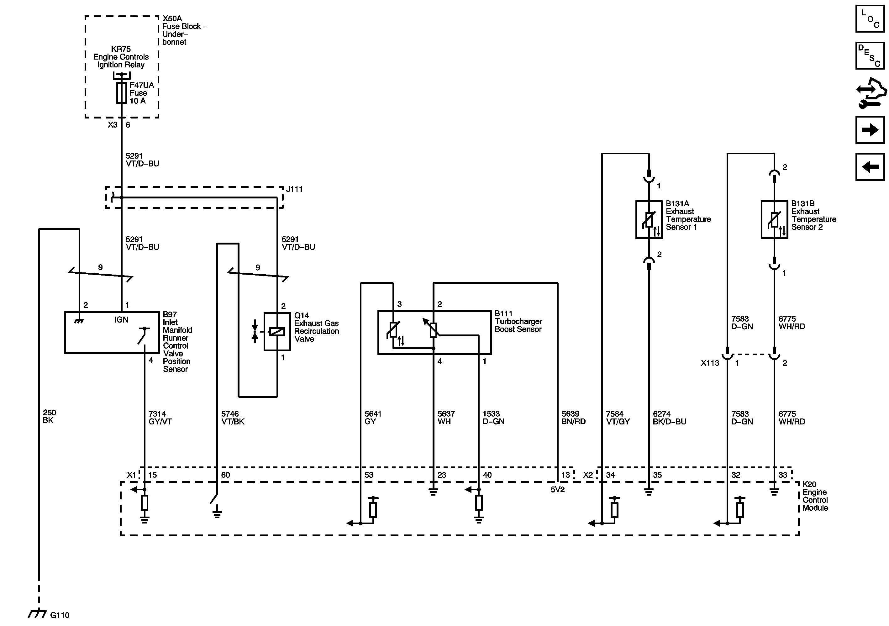
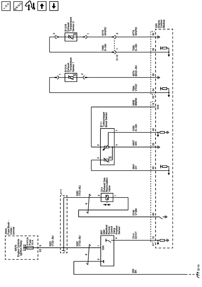
Engine Control Module Description
Engine Data Sensors - Fuel Heater, High Pressure Fuel Pump, and Water in Fuel
Fuel Controls - Fuel Injectors
Electrical Centre Identification Views
F8UA, F9UA, F10UA, and F11UA Fuses
| © Copyright Chevrolet. All rights reserved |