To the top of the document
Cruze
   
GMDE Start Page Load static TOC Load dynamic TOC Help?

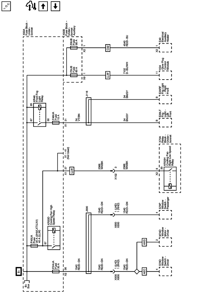
F5UB, F6UB, F24UA, F45UA, and F48UA Fuses



            |                         |            
2443722EN.png

Display graphic

Master Electrical Component List

Control Module References

F3DA, F3UD, F6UD, F8DA, F9DA, F10DA, F11DA, and F16DA Fuses

F1UA, F26UA, F30UA, F33UA, F55UA, F64UA, and F67UA Fuses

   


© Copyright Chevrolet. All rights reserved