Cruze |
||||||||
|
|
|
|||||||

Master Electrical Component List
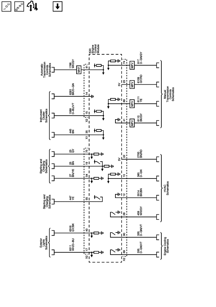
Engine Control Module Description
Engine Data Sensors - Fuel Heater, High Pressure Fuel Pump, and Water in Fuel
Electrical Centre Identification Views
Master Electrical Schematic Icons
| © Copyright Chevrolet. All rights reserved |