Cruze |
||||||||
|
|
|
|||||||

Master Electrical Component List
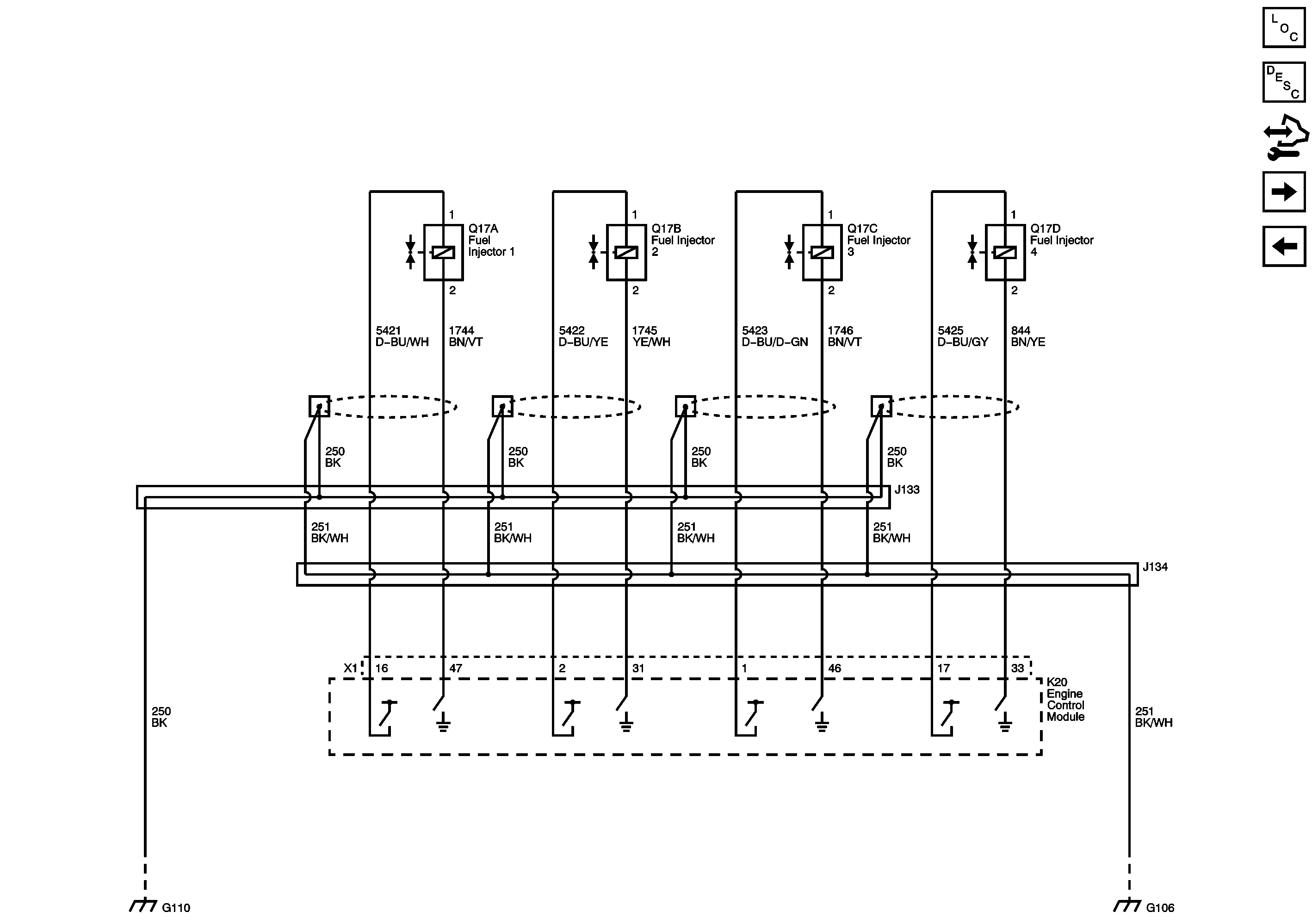
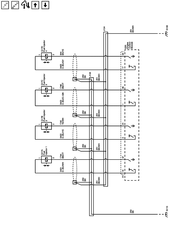
Engine Control Module Description
Engine Data Sensors - Exhaust and Turbocharger
F1UA, F26UA, F30UA, F33UA, F55UA, F64UA, and F67UA Fuses
F16UA, F17UA, F18UA, F20UA, F52UA, F54UA, and F57UA Fuses
Master Electrical Schematic Icons
| © Copyright Chevrolet. All rights reserved |