Cruze |
||||||||
|
|
|
|||||||

Master Electrical Component List
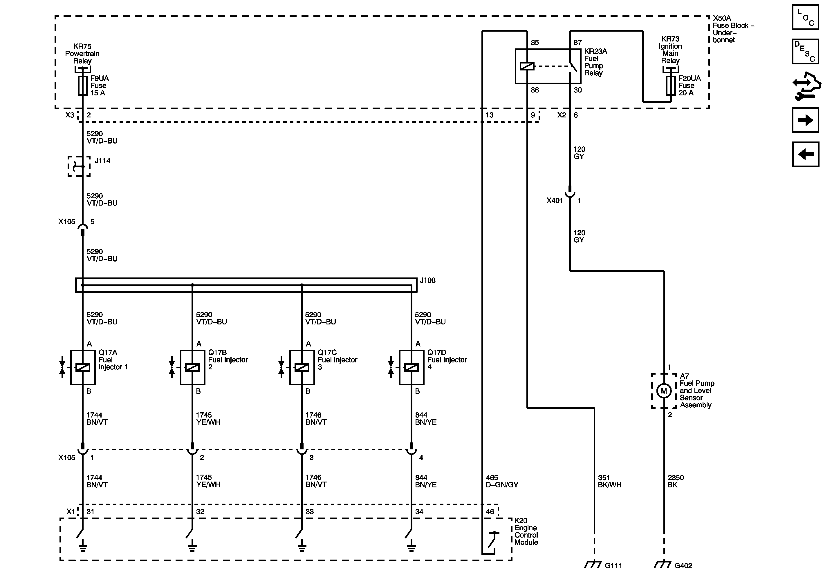
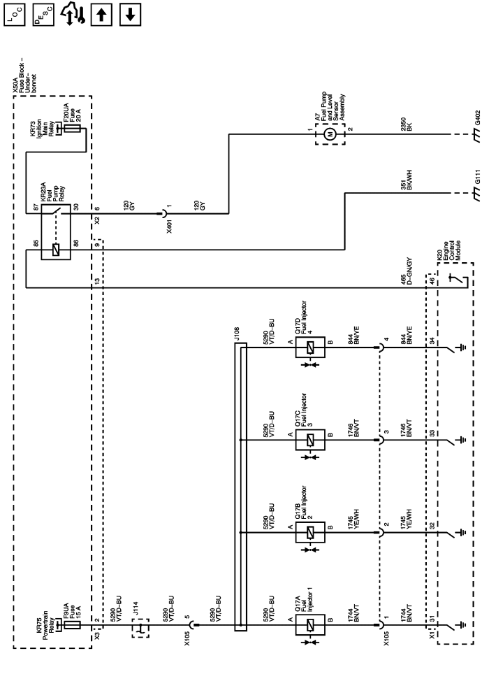
Engine Control Module Description
Crankshaft and Camshaft Sensors/Actuators, Knock Sensor
Electrical Centre Identification Views
F8UA, F9UA, F10UA, and F11UA Fuses
Master Electrical Schematic Icons
G107, G111, and G112 (2H0 or LXV)
| © Copyright Chevrolet. All rights reserved |