Cruze |
||||||||
|
|
|
|||||||

Master Electrical Component List
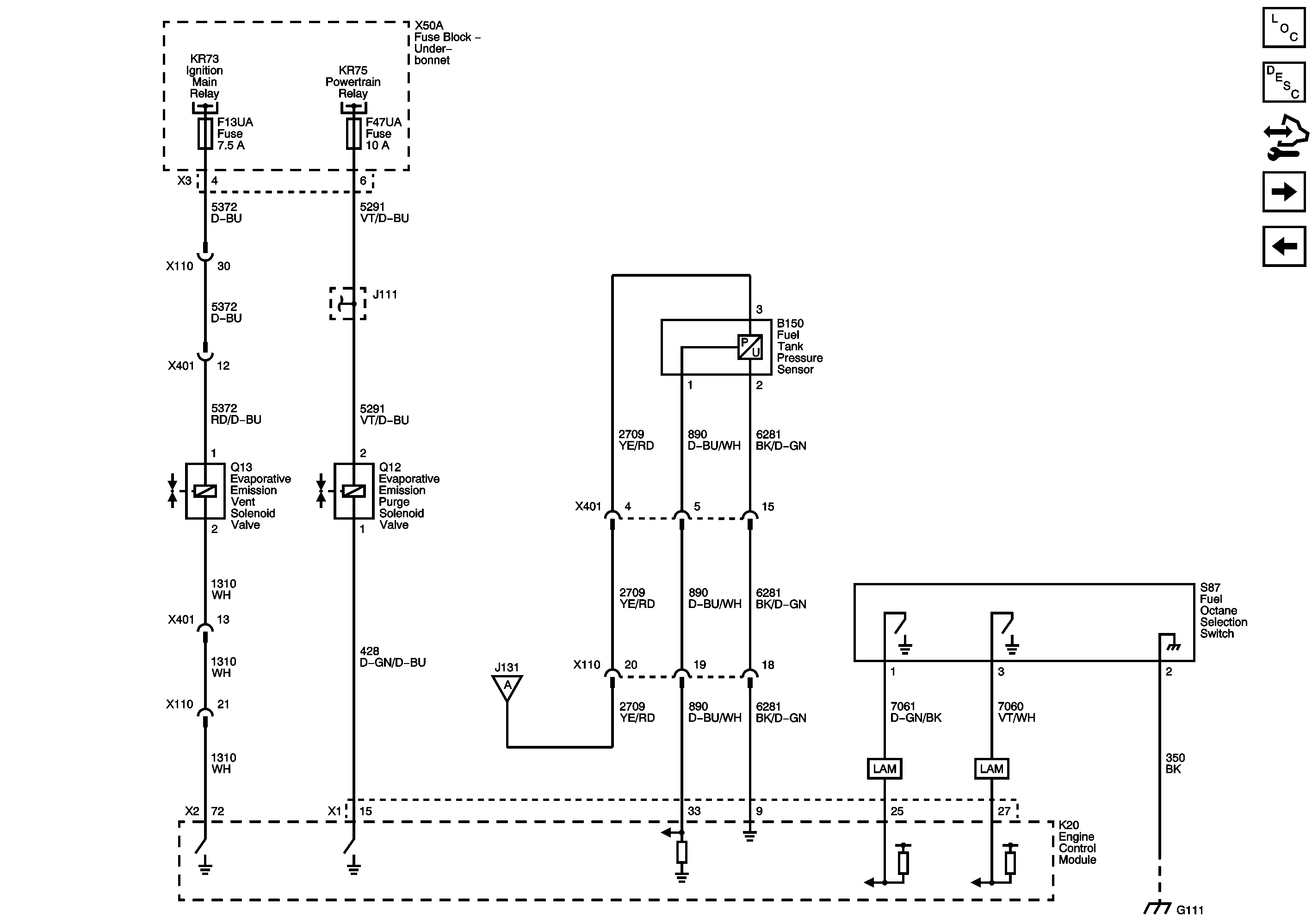
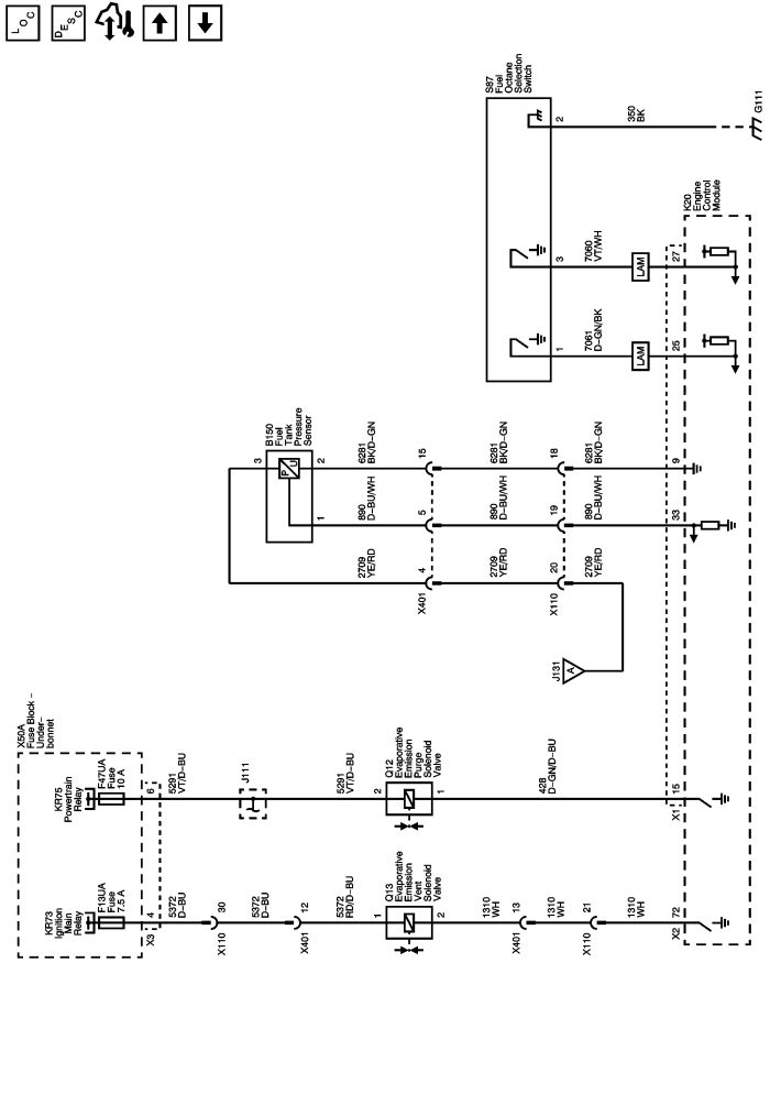
Engine Control Module Description
Controlled/Monitored Subsystem References
Fuel Controls - Fuel Injectors and Fuel Pump
Electrical Centre Identification Views
Master Electrical Schematic Icons
| © Copyright Chevrolet. All rights reserved |