To the top of the document
Cruze
   
GMDE Start Page Load static TOC Load dynamic TOC Help?

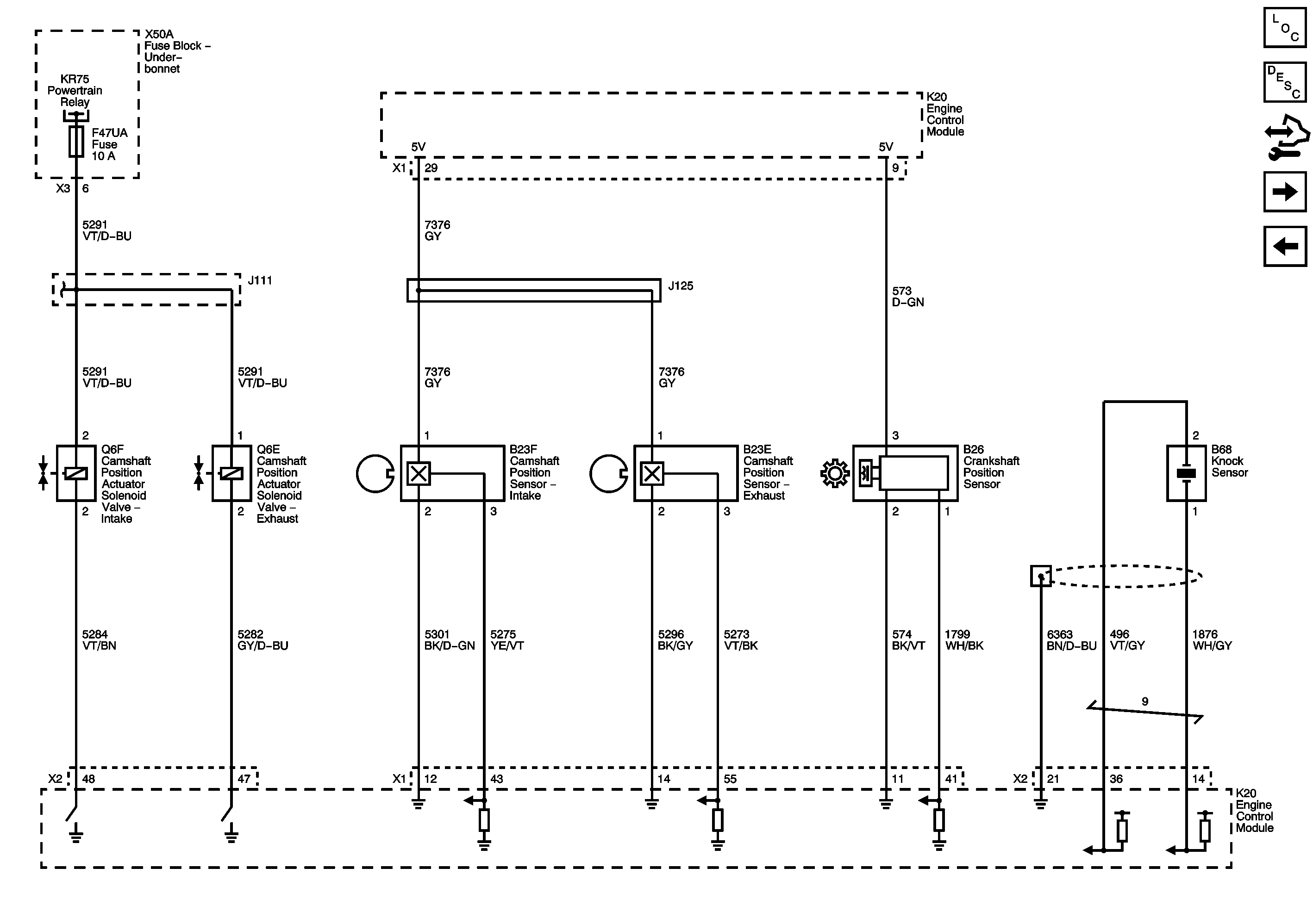
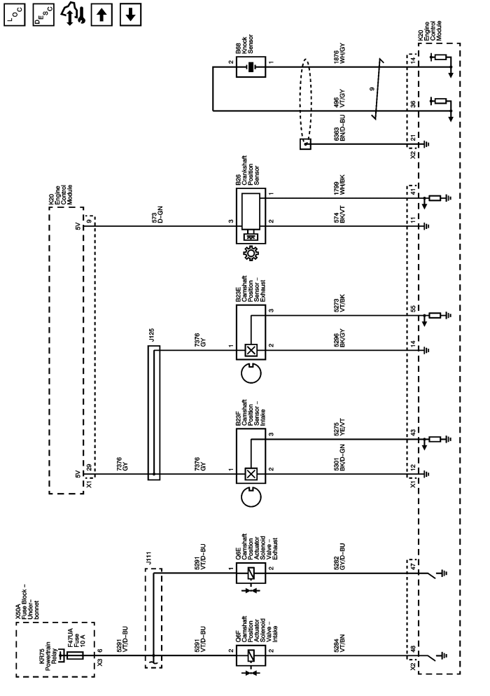
Camshaft, Crankshaft, and Knock Sensors, Camshaft Actuators



            |                         |            
2443590EN.png

Display graphic

Master Electrical Component List

Engine Control Module Description

Control Module References

Fuel Controls - Fuel Injectors and Fuel Pump

Oxygen Sensors and Ignition System

Master Electrical Schematic Icons

   


© Copyright Chevrolet. All rights reserved