To the top of the document
Cruze
   
GMDE Start Page Load static TOC Load dynamic TOC Help?

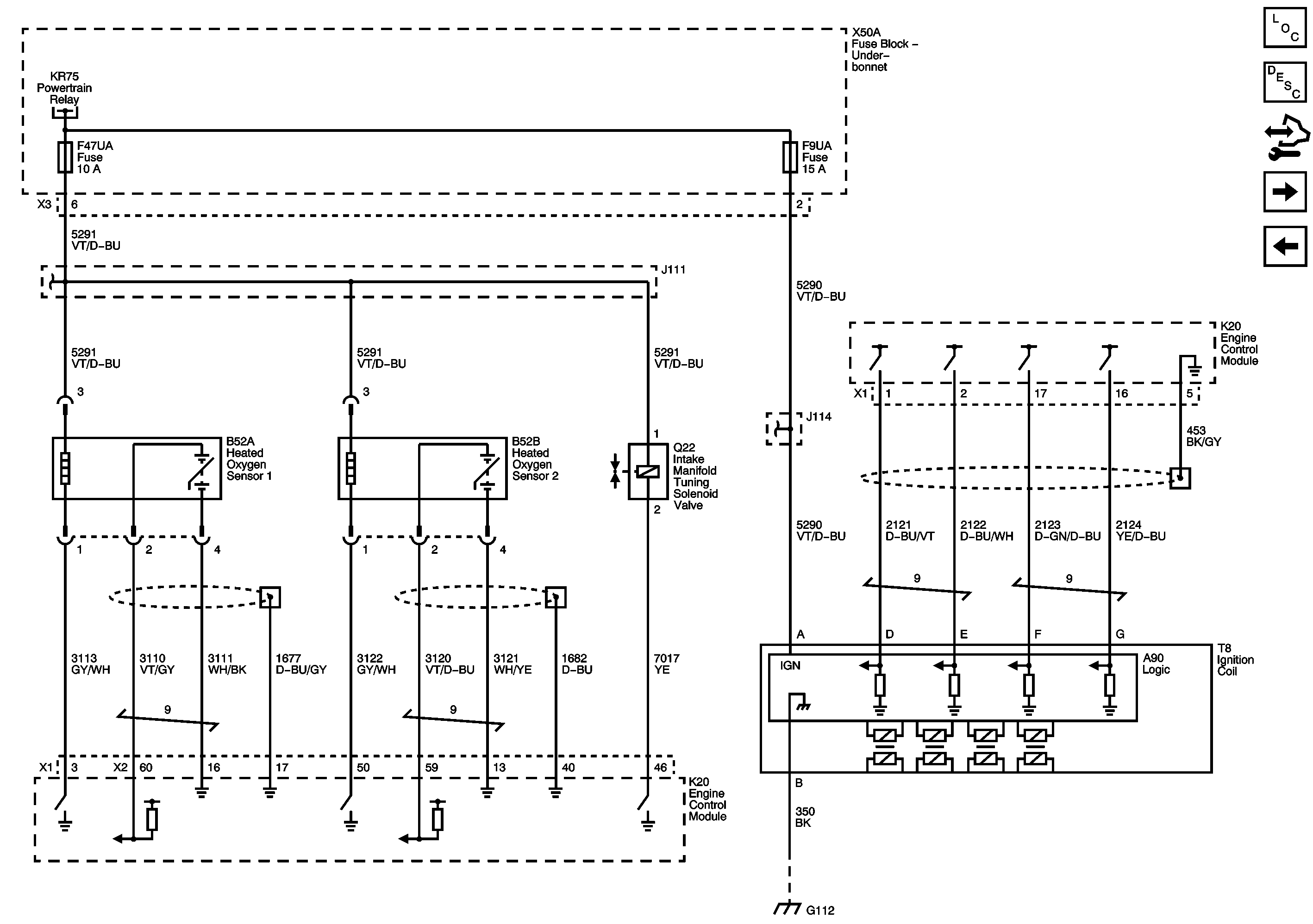
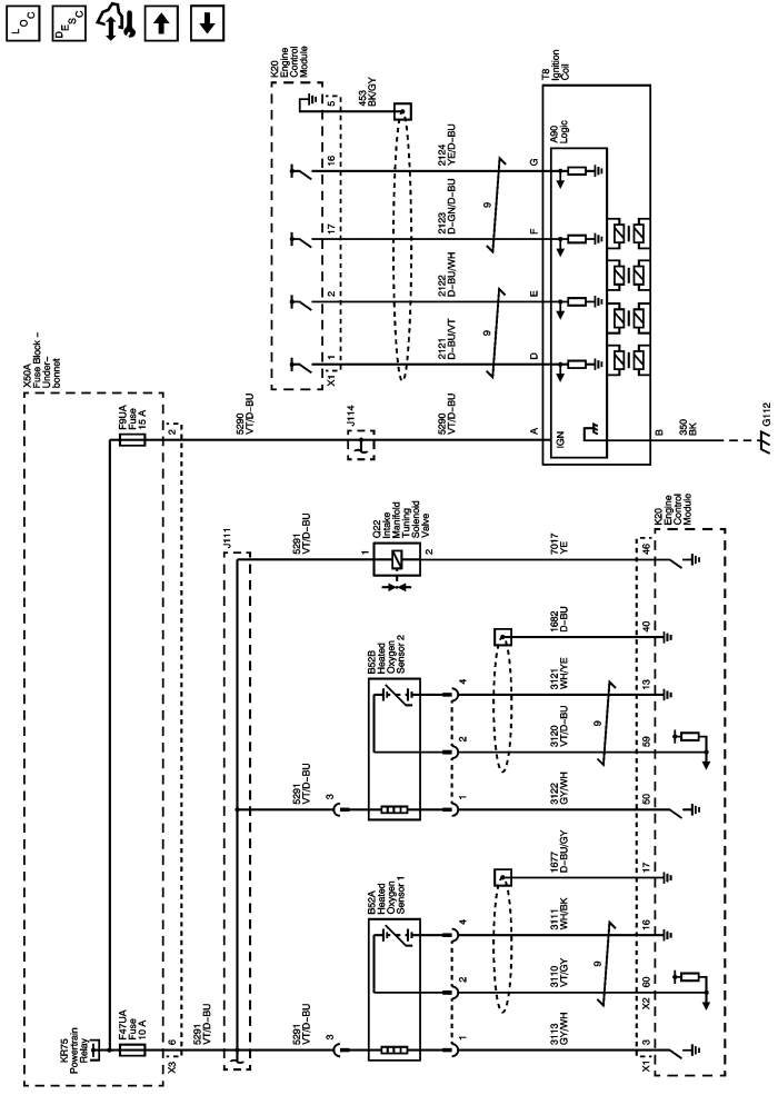
Oxygen Sensors and Ignition System



            |                         |            
2443588EN.png

Display graphic

Master Electrical Component List

Engine Control Module Description

Control Module References

Crankshaft and Camshaft Sensors/Actuators, Knock Sensor

Engine Data Sensors - Throttle Controls

F1UA, F26UA, F30UA, F33UA, F55UA, F64UA, and F67UA Fuses

F16UA, F17UA, F18UA, F20UA, F52UA, F54UA, and F57UA Fuses

Data Communication Schematics

Master Electrical Schematic Icons

G400 and G402

   


© Copyright Chevrolet. All rights reserved