Cruze |
||||||||
|
|
|
|||||||

Master Electrical Component List
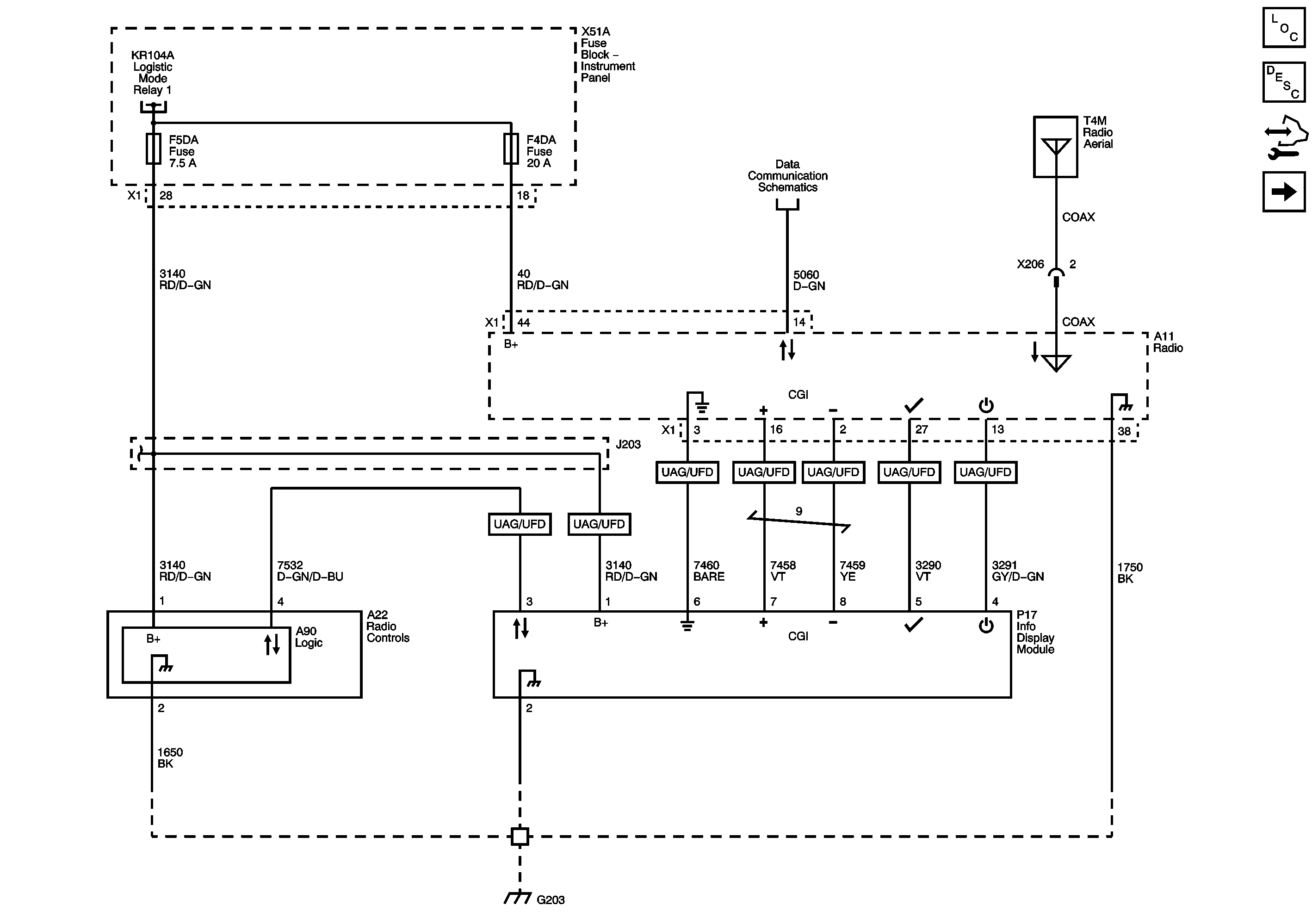
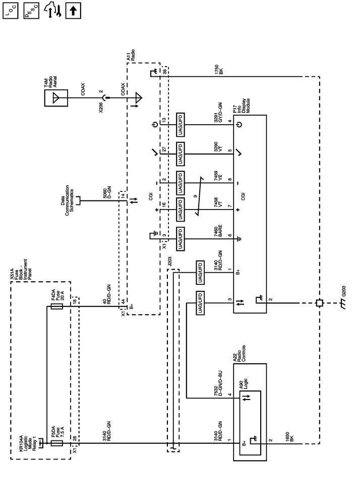
Radio/Audio System Description and Operation
Door Speakers (LHD without UQG)
Electrical Centre Identification Views
F1DA, F4DA, F5DA, F6DA, and F7DA Fuses
F2UA, F21UA, F25UA, F27UA, F31UA, F32UA, F34UA, F35UA, F69UA, and F70UA Fuses
G120, G121, G122, G201, and G204
| © Copyright Chevrolet. All rights reserved |