Cruze |
||||||||
|
|
|
|||||||

Master Electrical Component List
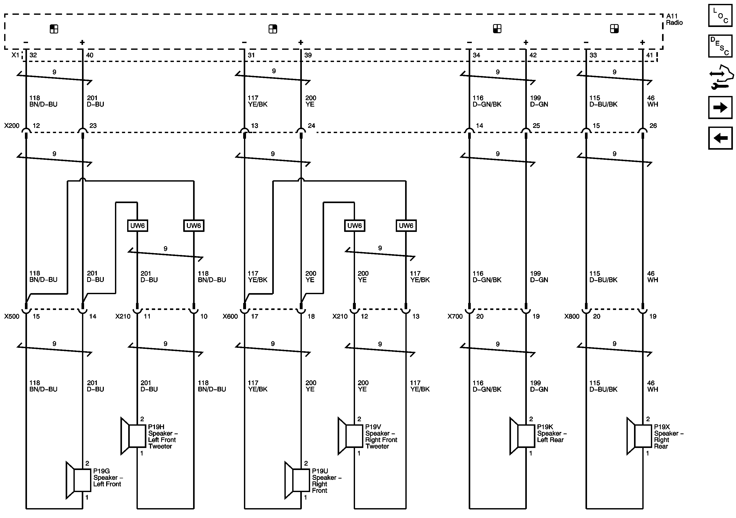
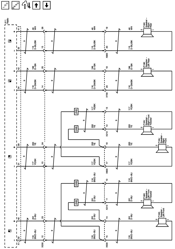
Radio/Audio System Description and Operation
Door Speakers (RHD without UQG)
Power, Ground, Serial Data, Aerial, and Display
Master Electrical Schematic Icons
| © Copyright Chevrolet. All rights reserved |