To the top of the document
Cruze
   
GMDE Start Page Load static TOC Load dynamic TOC Help?

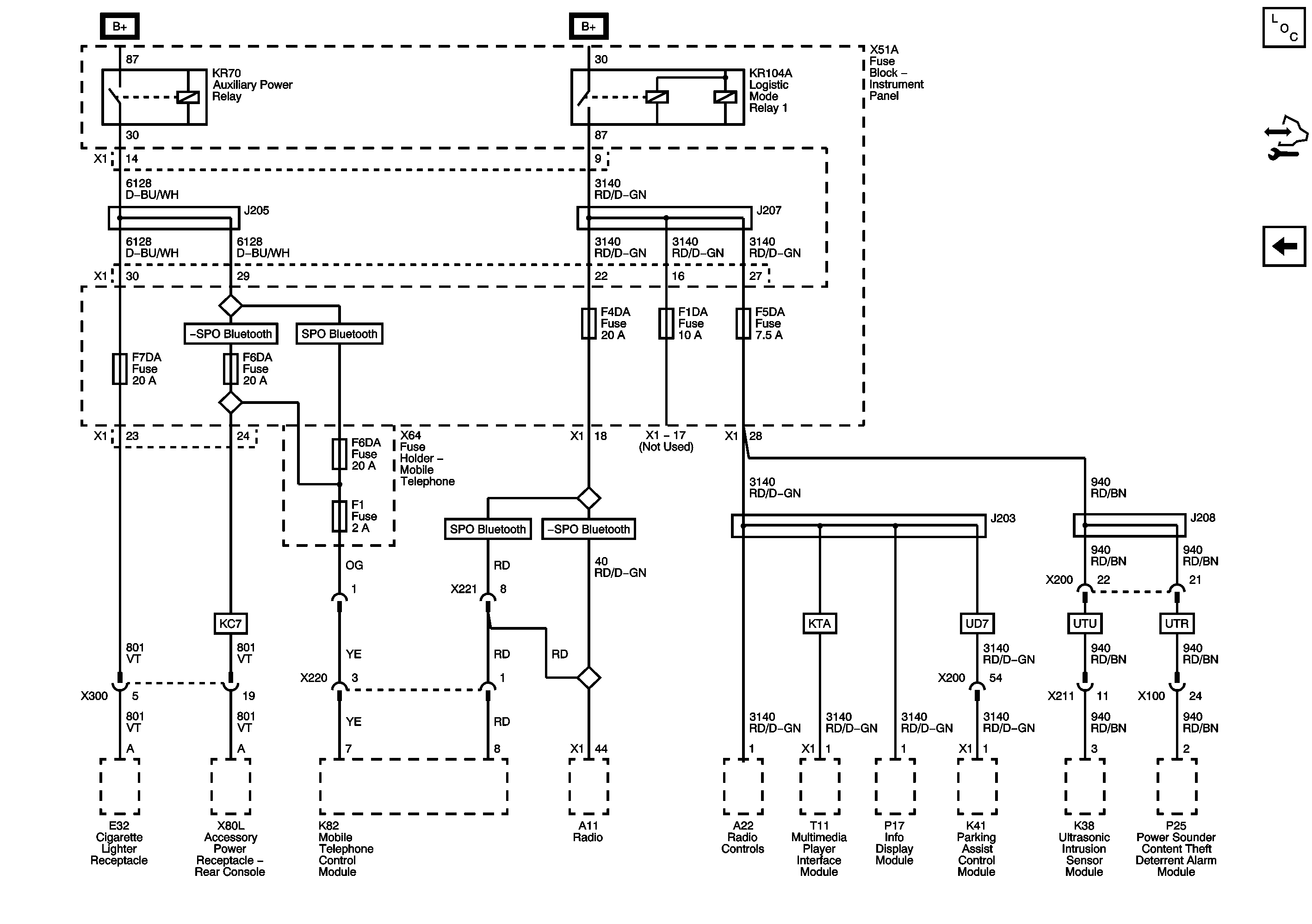
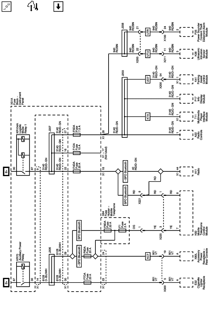
F1DA, F4DA, F5DA, F6DA, and F7DA Fuses



            |                         |            
2443734EN.png

Display graphic

Master Electrical Component List

Control Module References

F28UA, F37UA, F38UA, F51UA, F56UA, and F60UA Fuses

   


© Copyright Chevrolet. All rights reserved