To the top of the document
Cruze
   
GMDE Start Page Load static TOC Load dynamic TOC Help?

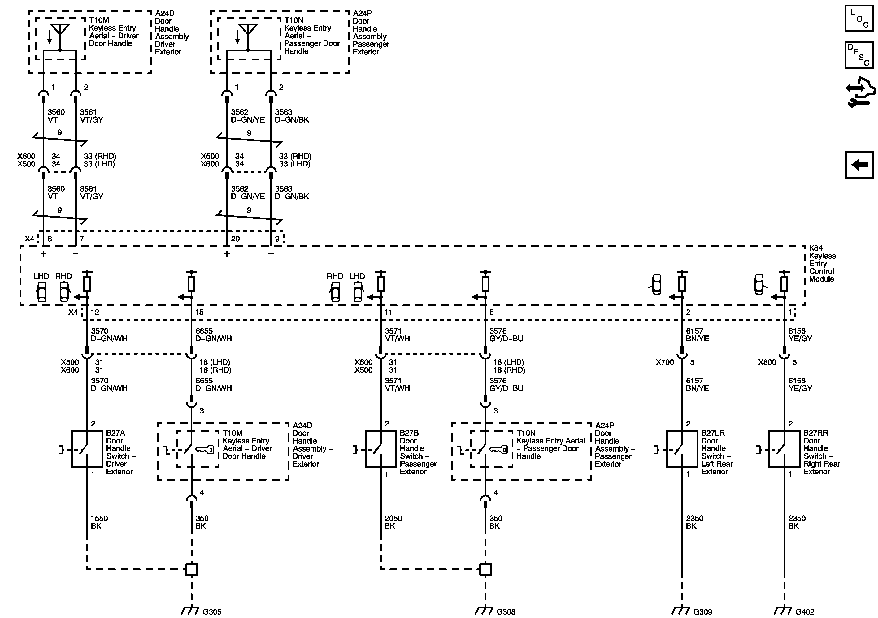
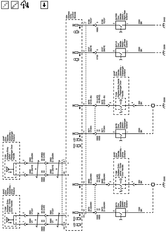
Passive Entry - Aerials and Switches (ATH)



            |                         |            
2443458EN.png

Display graphic

Master Electrical Component List

Power Door Locks Description and Operation

Control Module References

Passive Entry - Module Power, Ground, and Latches (ATH)

Master Electrical Schematic Icons

G204 and G305

G307 and G308

G309

G400 and G402

   


© Copyright Chevrolet. All rights reserved