Cruze |
||||||||
|
|
|
|||||||

Master Electrical Component List
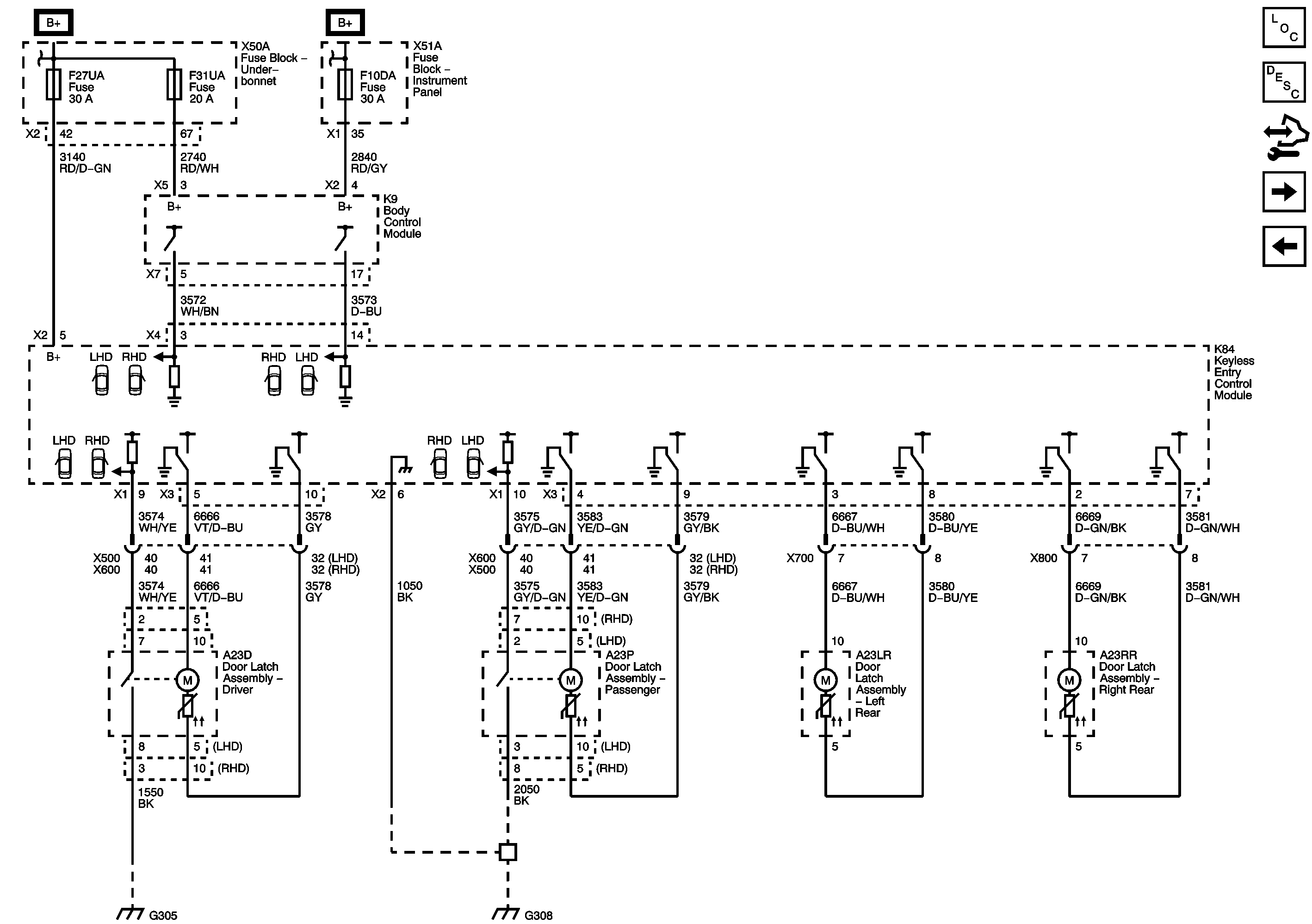
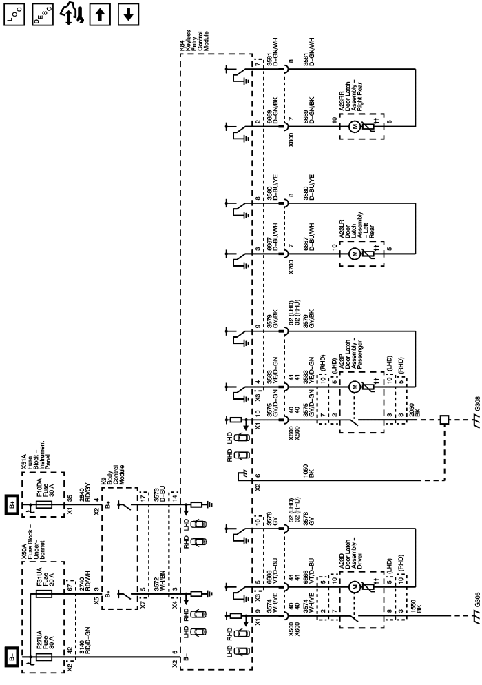
Power Door Locks Description and Operation
Passive Entry - Aerials and Switches
F2UA, F21UA, F25UA, F27UA, F31UA, F32UA, F34UA, F35UA, F69UA, and F70UA Fuses
F3DA, F3UD, F6UD, F8DA, F9DA, F10DA, F11DA, and F16DA Fuses
| © Copyright Chevrolet. All rights reserved |