Cruze |
||||||||
|
|
|
|||||||

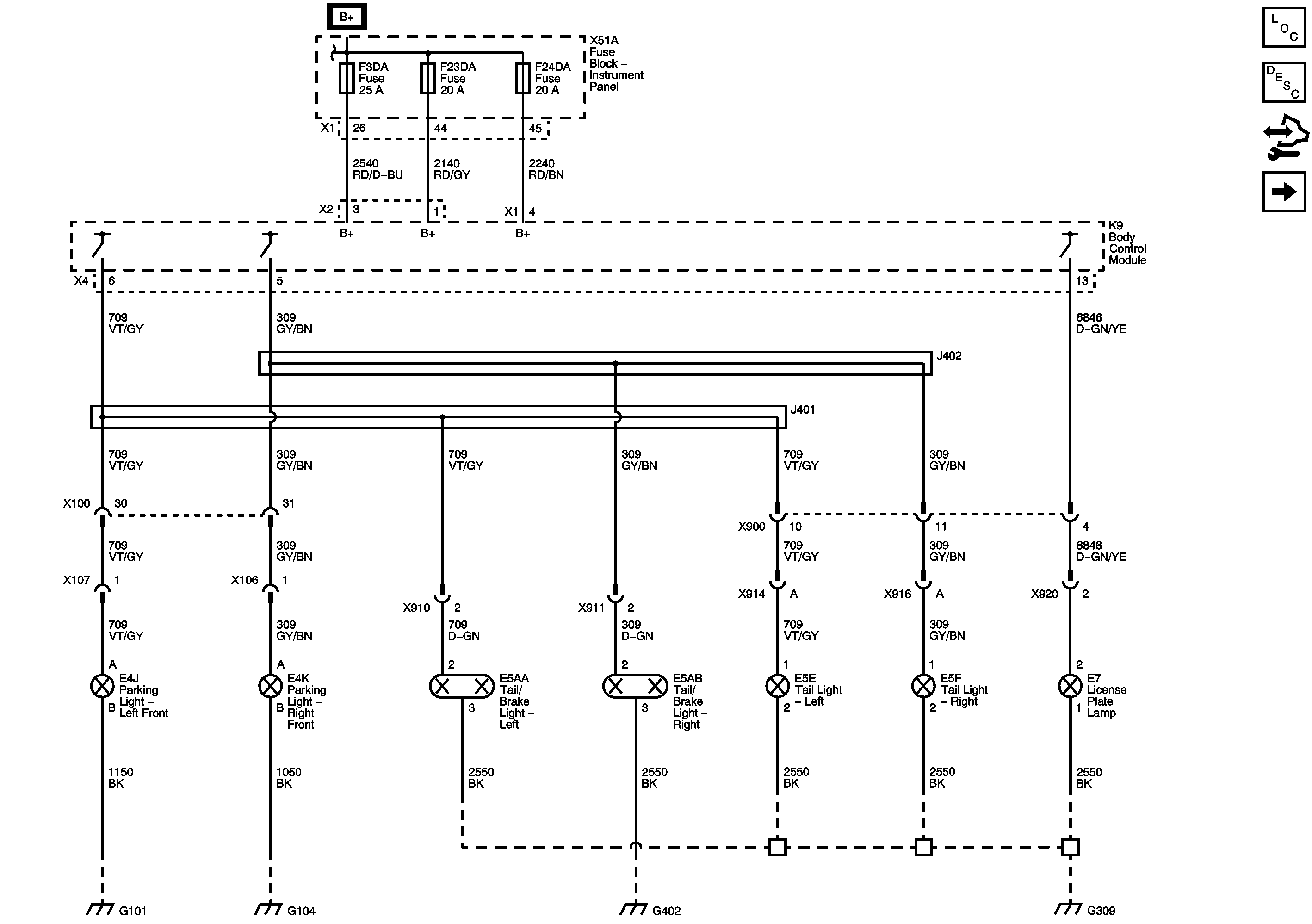
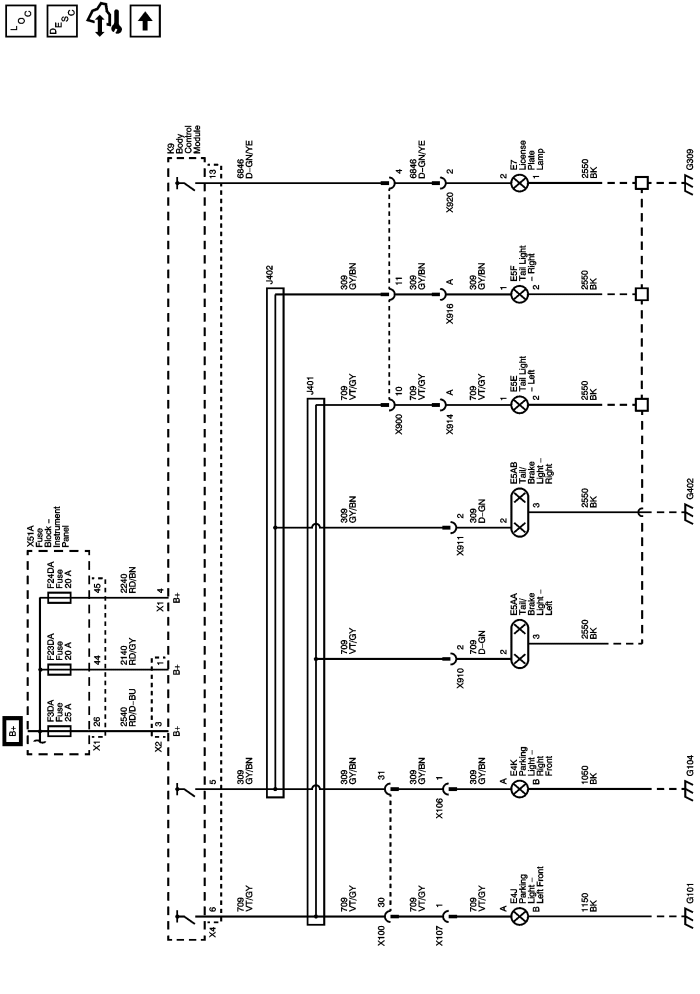
Master Electrical Component List
Exterior Lighting Systems Description and Operation
F3DA, F3UD, F6UD, F8DA, F9DA, F10DA, F11DA, and F16DA Fuses
F12DA and F13DA Circuit Breakers, and F14DA, F15DA, F17DA, F21DA, F23DA, F24DA, and F25DA Fuses
| © Copyright Chevrolet. All rights reserved |