To the top of the document
Cruze
   
GMDE Start Page Load static TOC Load dynamic TOC Help?

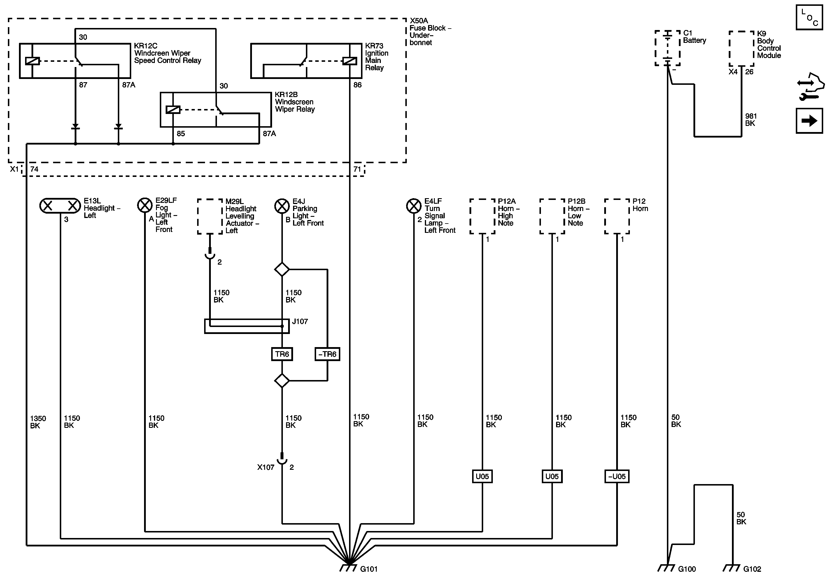
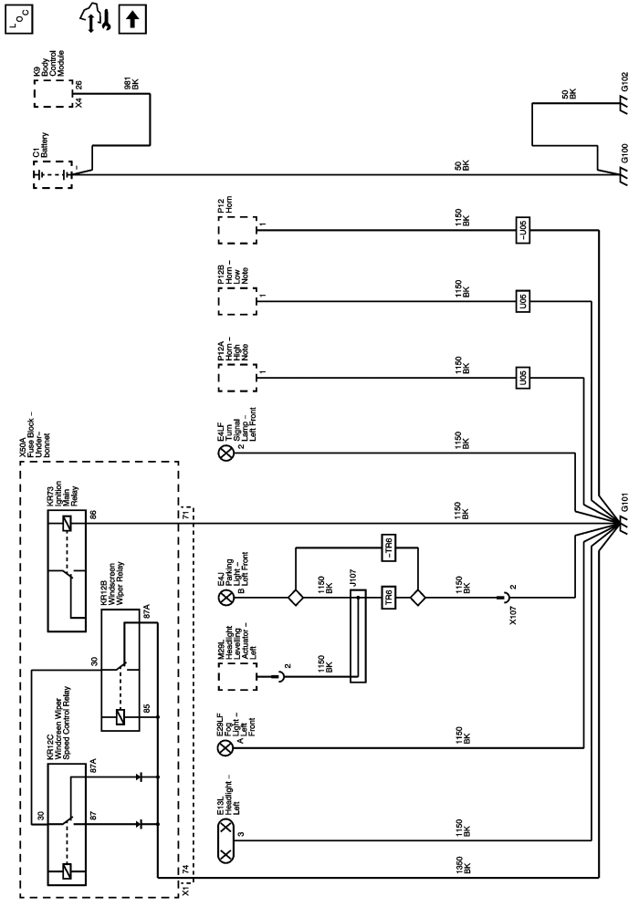
G100, G101, and G102



            |                         |            
2443735EN.png

Display graphic

Master Electrical Component List

Control Module References

G103, G104, and G105

   


© Copyright Chevrolet. All rights reserved