To the top of the document
Cruze
   
GMDE Start Page Load static TOC Load dynamic TOC Help?

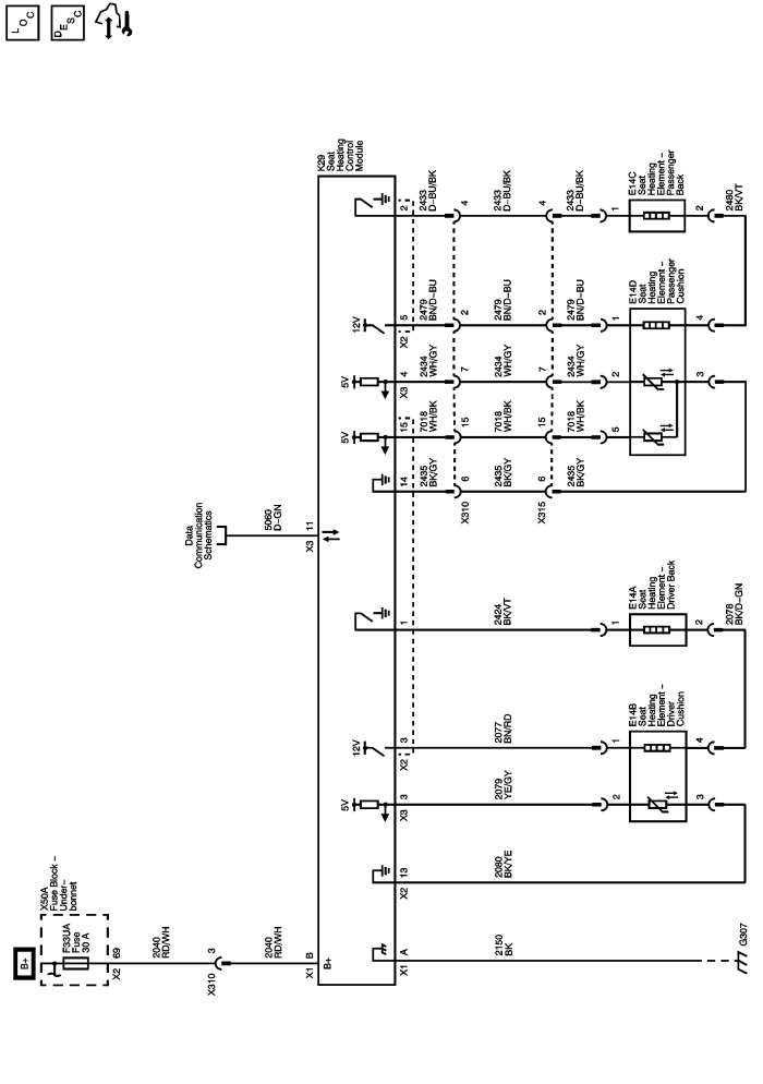
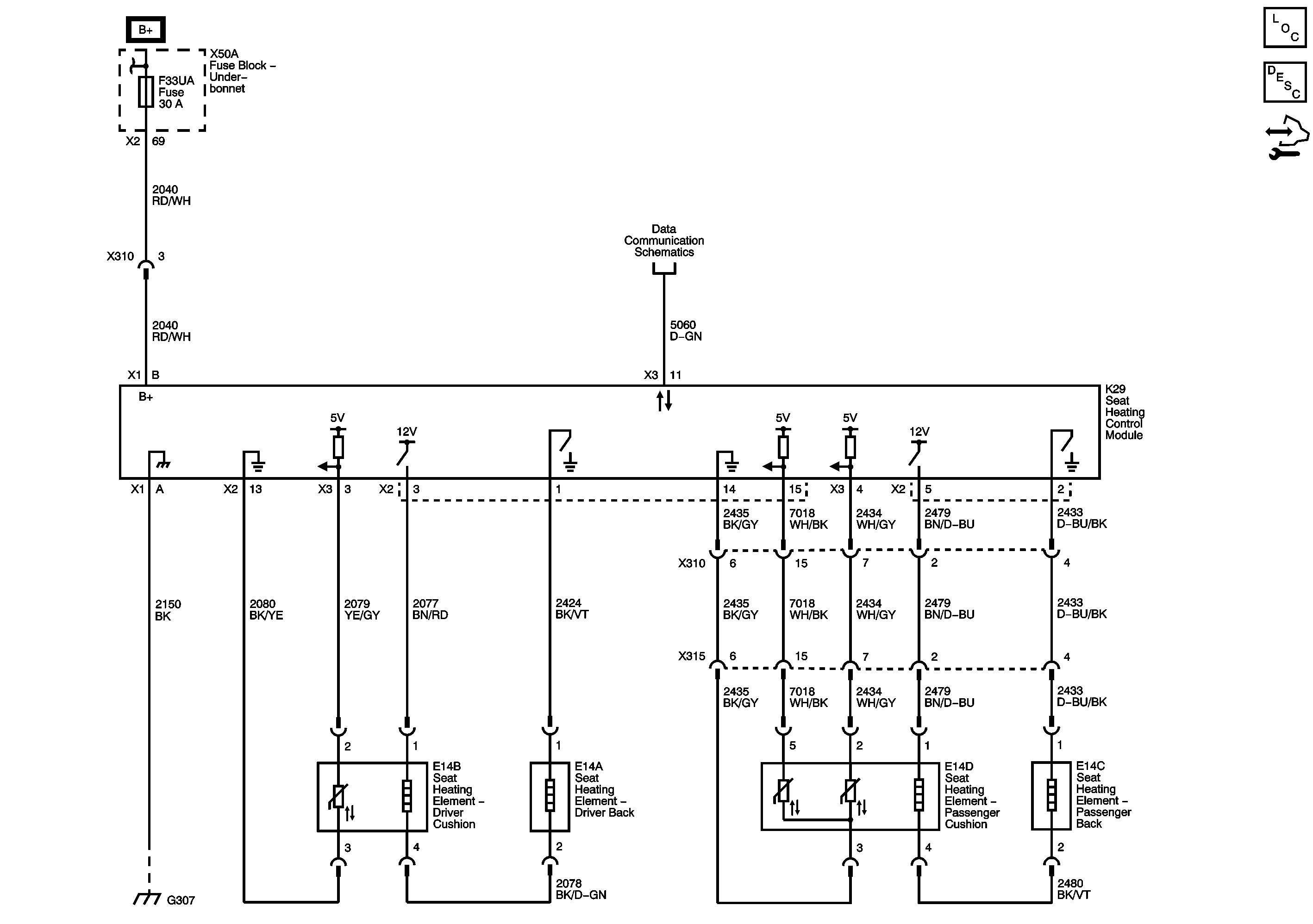
Heated/Cooled Seat Schematics

KA1



            |                         |            
2443812EN.png

Display graphic

Master Electrical Component List

Heated Seats Description and Operation

Control Module References

F1UA, F26UA, F30UA, F33UA, F55UA, F64UA, and F67UA Fuses

Low Speed GMLAN

G307 and G308

   


© Copyright Chevrolet. All rights reserved