To the top of the document
Cruze
   
GMDE Start Page Load static TOC Load dynamic TOC Help?

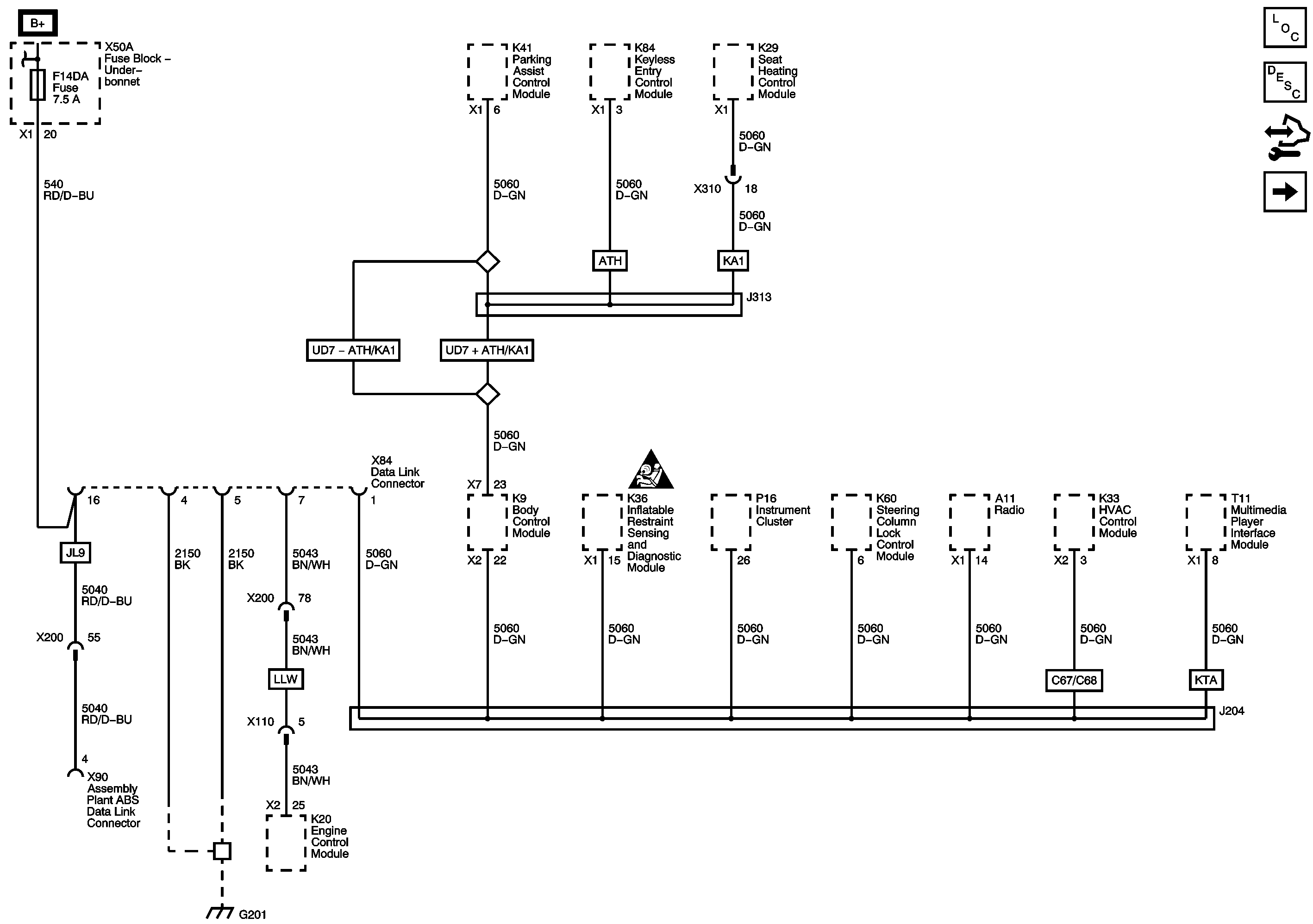
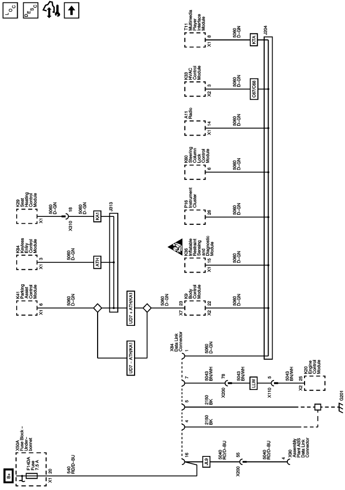
Low Speed GMLAN



            |                         |            
2443706EN.png

Display graphic

Master Electrical Component List

Data Link Communications Description and Operation

Control Module References

Chassis Expansion Bus (FX3)

High Speed GMLAN (2 of 2)

   


© Copyright Chevrolet. All rights reserved