Cruze |
||||||||
|
|
|
|||||||

Master Electrical Component List
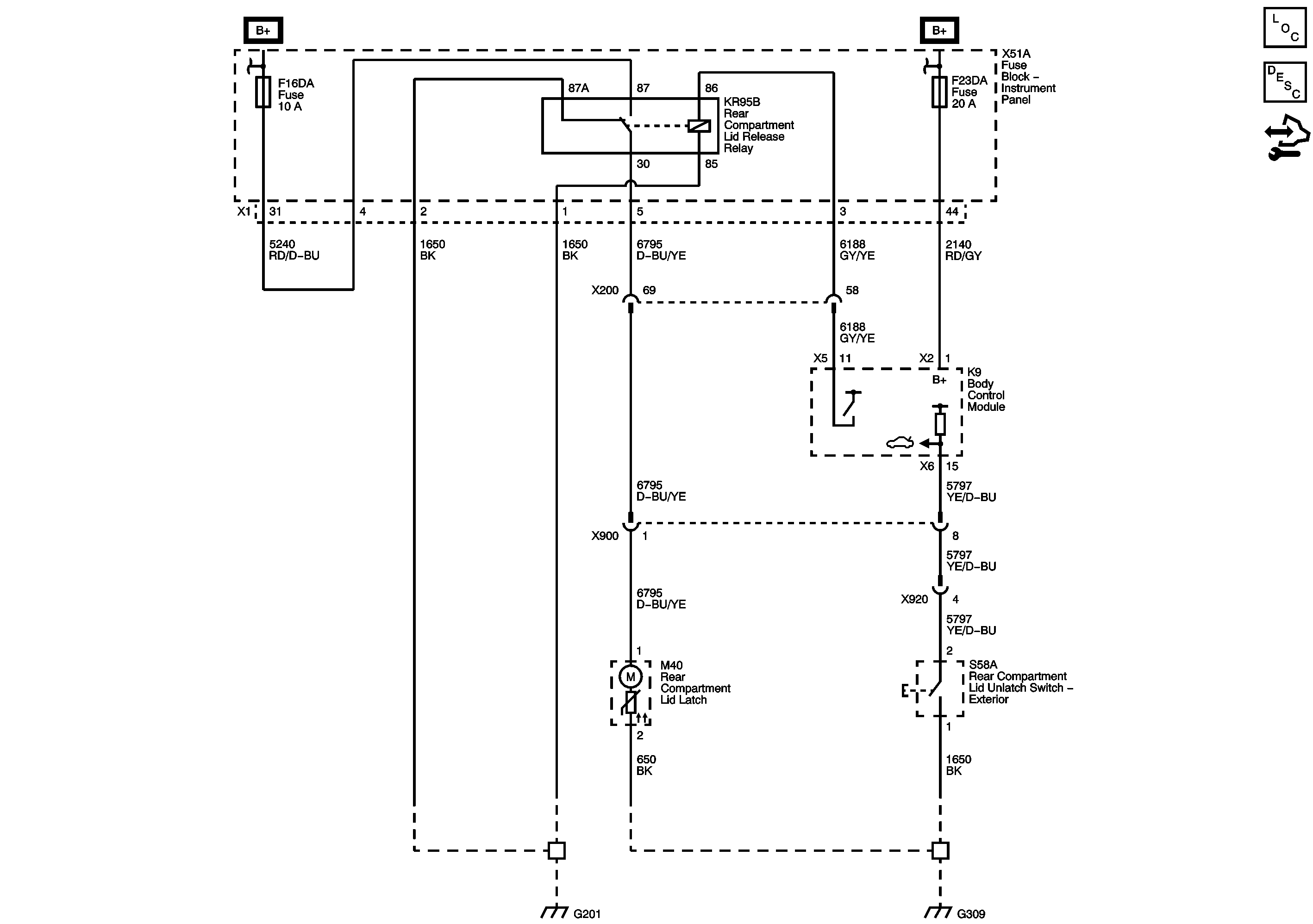
Luggage Compartment Description and Operation
F3DA, F3UD, F6UD, F8DA, F9DA, F10DA, F11DA, and F16DA Fuses
Electrical Centre Identification Views
F12DA and F13DA Circuit Breakers, and F14DA, F15DA, F17DA, F21DA, F23DA, F24DA, and F25DA Fuses
G120, G121, G122, G201, and G204
| © Copyright Chevrolet. All rights reserved |