Cruze |
||||||||
|
|
|
|||||||

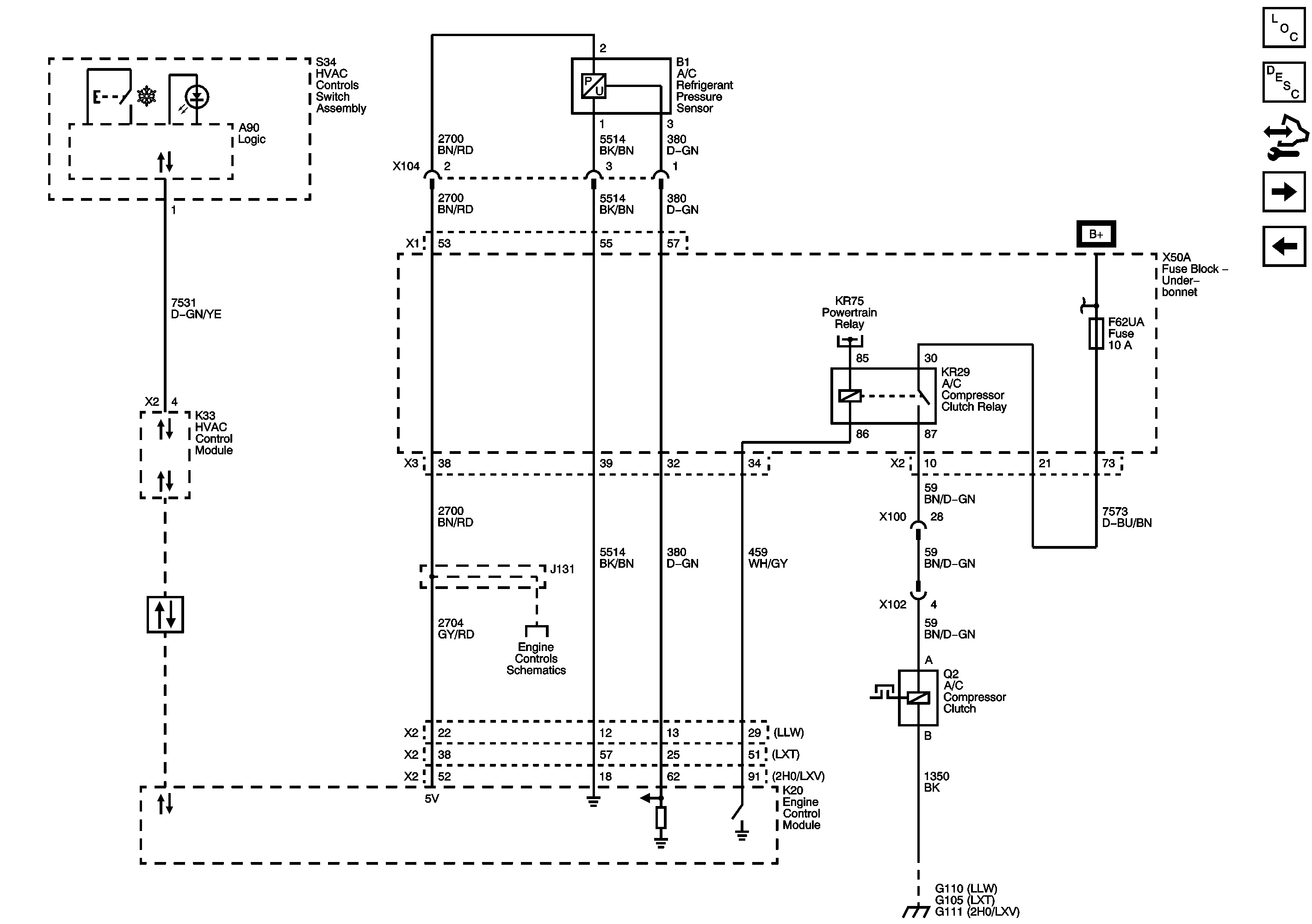
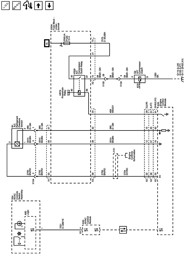
Master Electrical Component List
Automatic HVAC Description and Operation
Air Delivery and Temperature Controls
Electrical Centre Identification Views
Electrical Centre Identification Views
G107, G111, and G112 (2H0 or LXV)
| © Copyright Chevrolet. All rights reserved |