To the top of the document
Cruze
   
GMDE Start Page Load static TOC Load dynamic TOC Help?

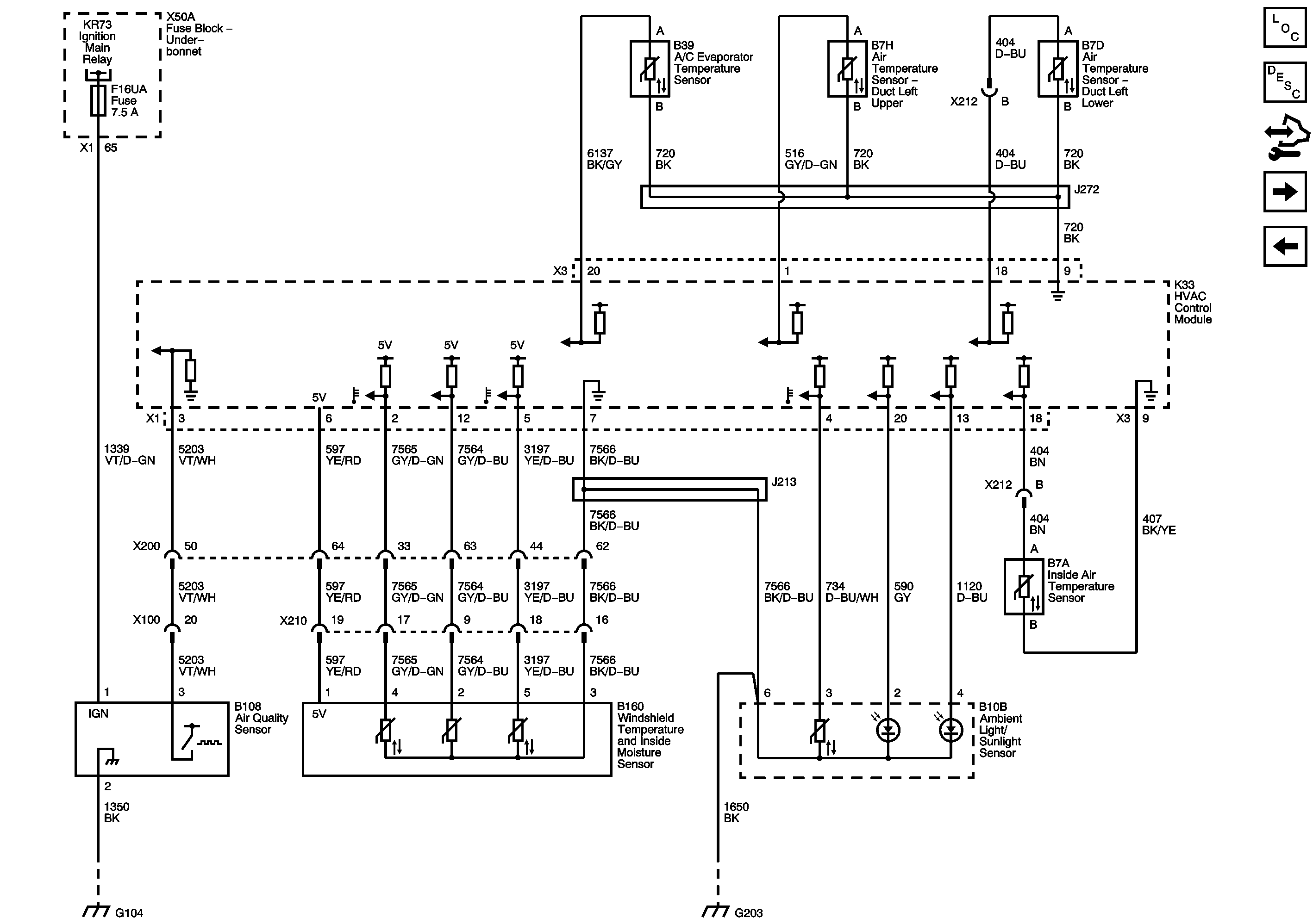
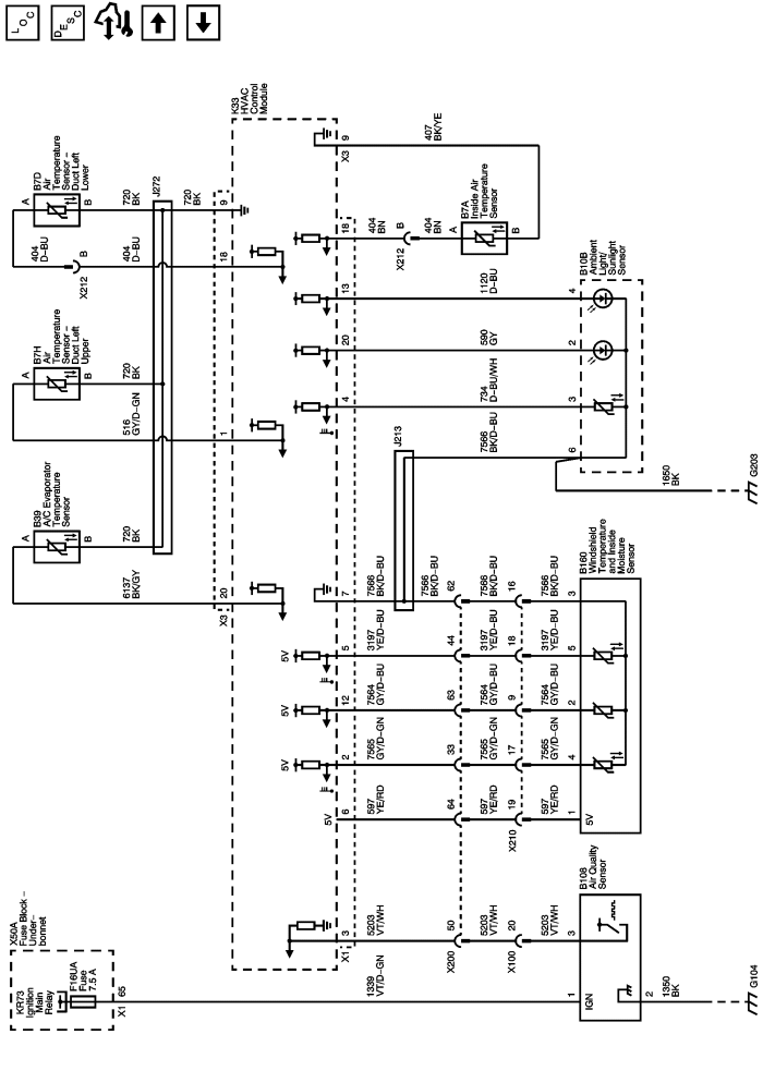
Temperature Sensors



            |                         |            
2443698EN.png

Display graphic

Master Electrical Component List

Automatic HVAC Description and Operation

Control Module References

Auxiliary Heater (C32)

Compressor Controls

Electrical Centre Identification Views

F47UA, F59UA, and F62UA Fuses

Electrical Centre Identification Views

Data Communication Schematics

G103, G104, and G105

   


© Copyright Chevrolet. All rights reserved