Cruze |
||||||||
|
|
|
|||||||

Master Electrical Component List
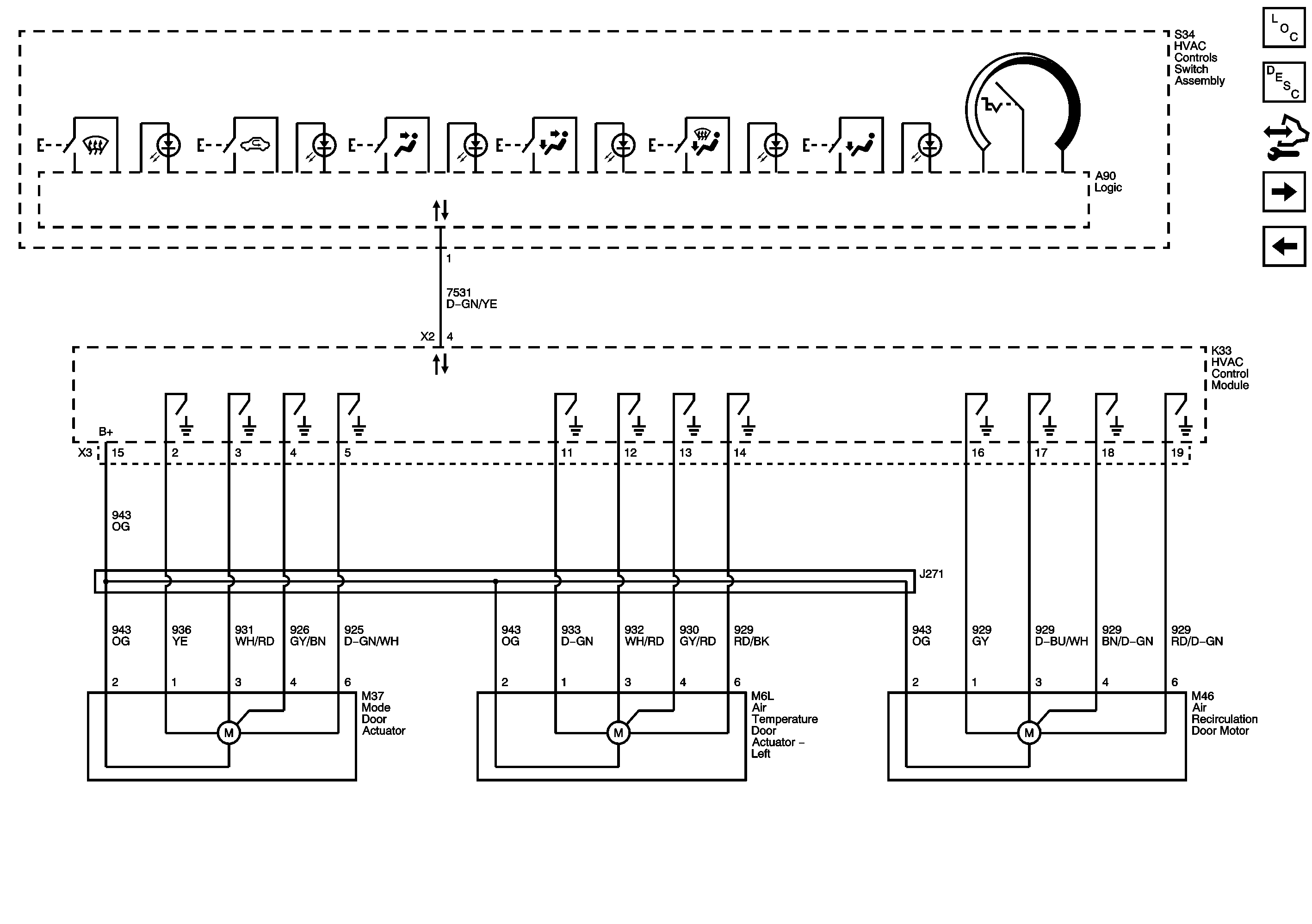
Automatic HVAC Description and Operation
Module Power and Ground, Blower Control, and Serial Data
F12DA and F13DA Circuit Breakers, and F14DA, F15DA, F17DA, F21DA, F23DA, F24DA, and F25DA Fuses
| © Copyright Chevrolet. All rights reserved |