Cruze |
||||||||
|
|
|
|||||||

Master Electrical Component List
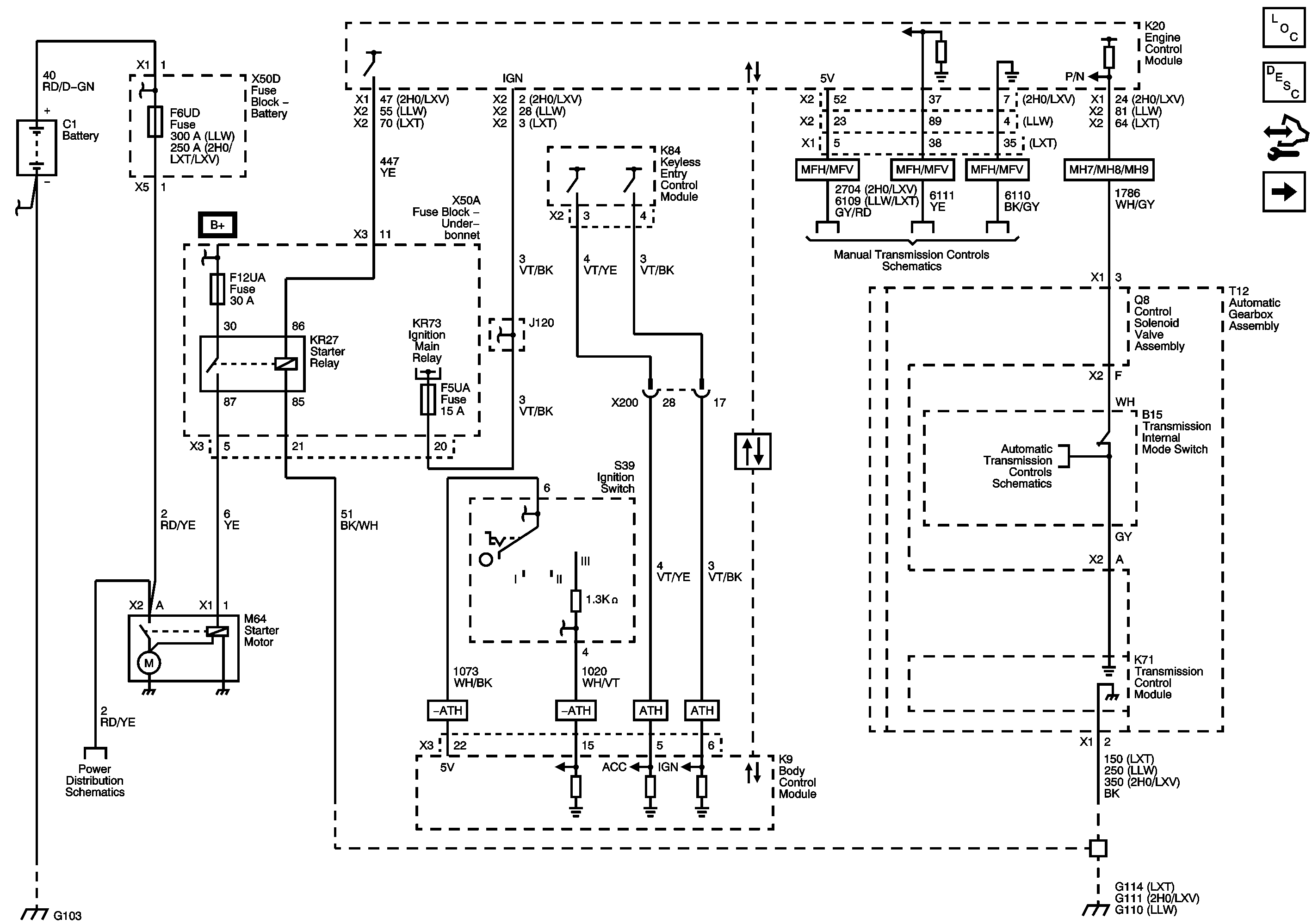
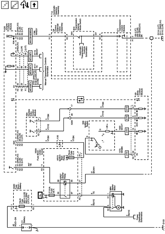
Starting System Description and Operation
F3DA, F3UD, F6UD, F8DA, F9DA, F10DA, F11DA, and F16DA Fuses
Electrical Centre Identification Views
F5UA, F13UA, F53UA, and F65UA Fuses
Internal Mode Switch and Manual Shift Switches
F3DA, F3UD, F6UD, F8DA, F9DA, F10DA, F11DA, and F16DA Fuses
Ground Distribution Schematics
| © Copyright Chevrolet. All rights reserved |