To the top of the document
Cruze
   
GMDE Start Page Load static TOC Load dynamic TOC Help?

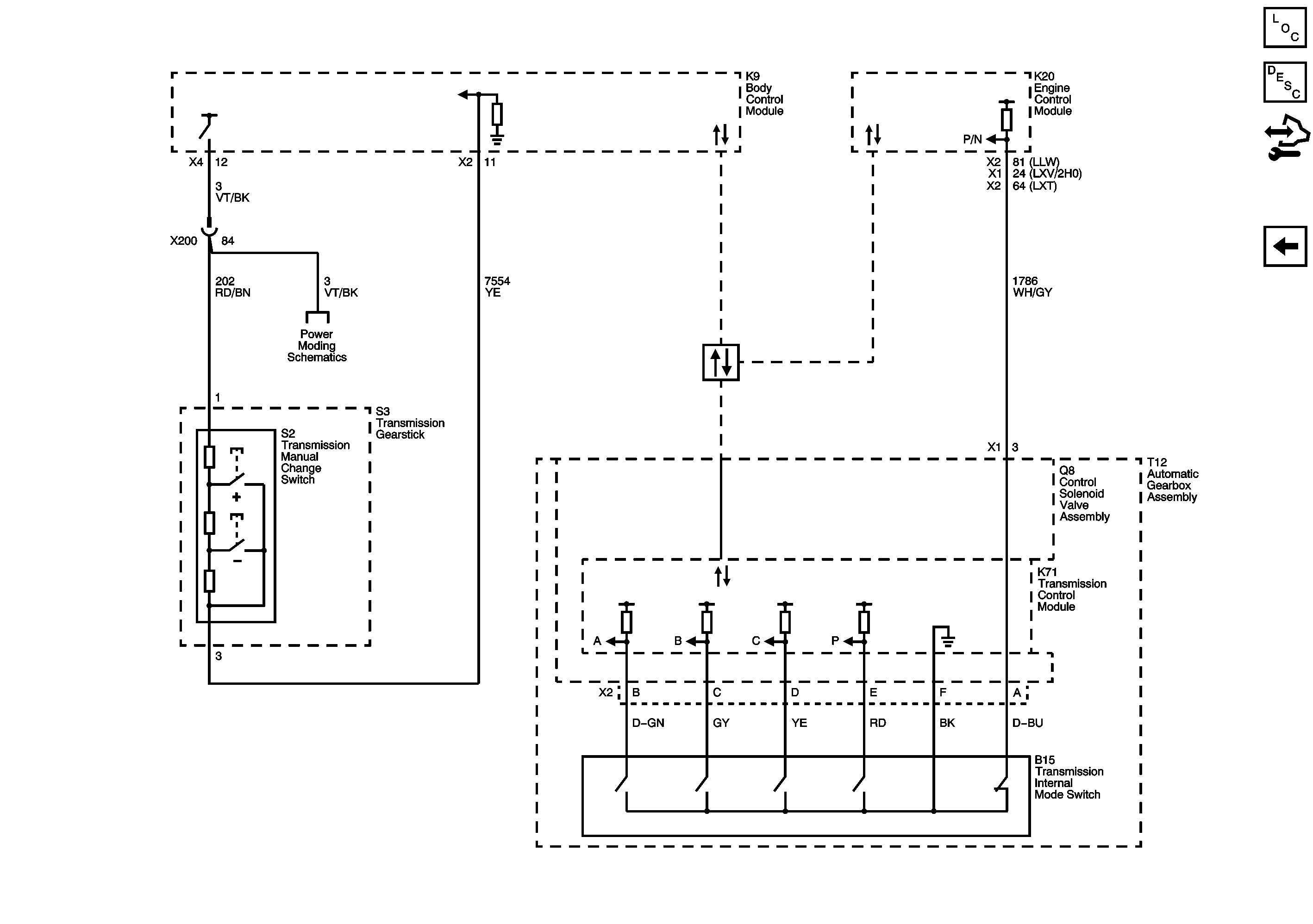
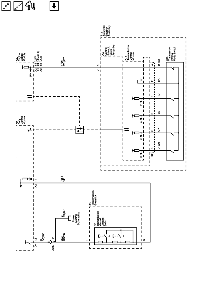
Internal Mode Switch and Manual Shift Switches



            |                         |            
2443829EN.png

Display graphic

Master Electrical Component List

Electronic Component Description

Control Module References

Temperature and Speed Sensors, Manual Valve, Pressure Controls and Shift Controls

Power Moding Schematics

Data Communication Schematics

   


© Copyright Chevrolet. All rights reserved