Cruze |
||||||||
|
|
|
|||||||

Master Electrical Component List
Engine Control Module Description
5V Bus and Low Reference (1 of 2)
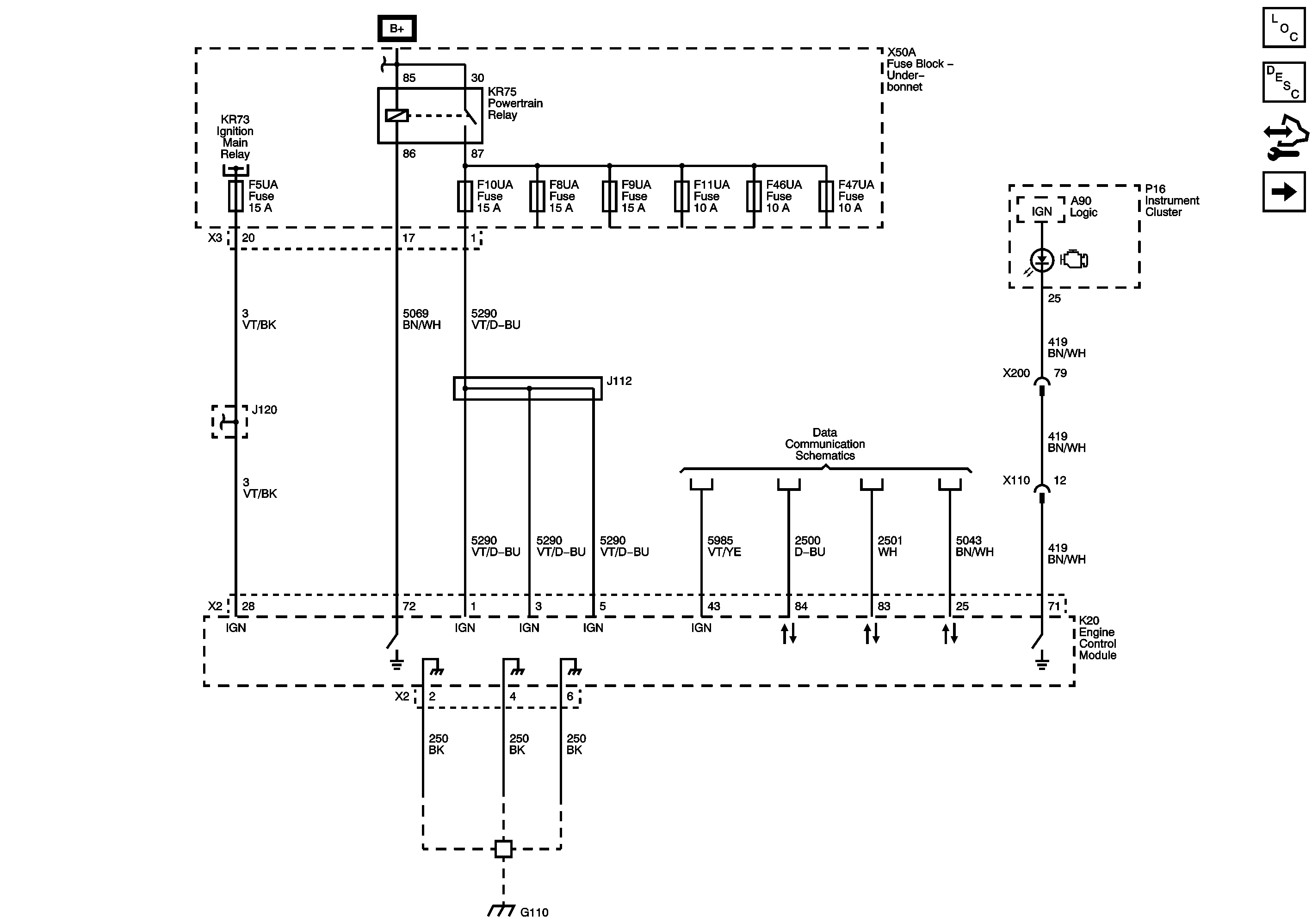
F5UA, F13UA, F53UA, and F65UA Fuses
Electrical Centre Identification Views
F8UA, F9UA, F10UA, and F11UA Fuses
| © Copyright Chevrolet. All rights reserved |