Cruze |
||||||||
|
|
|
|||||||

Master Electrical Component List
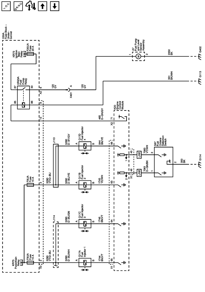
Engine Control Module Description
Engine Data Sensors - Actuators
Crankshaft and Camshaft Sensors/Actuators, Knock Sensor
Electrical Centre Identification Views
F8UA, F9UA, F10UA, and F11UA Fuses
| © Copyright Chevrolet. All rights reserved |