Cruze |
||||||||
|
|
|
|||||||

Master Electrical Component List
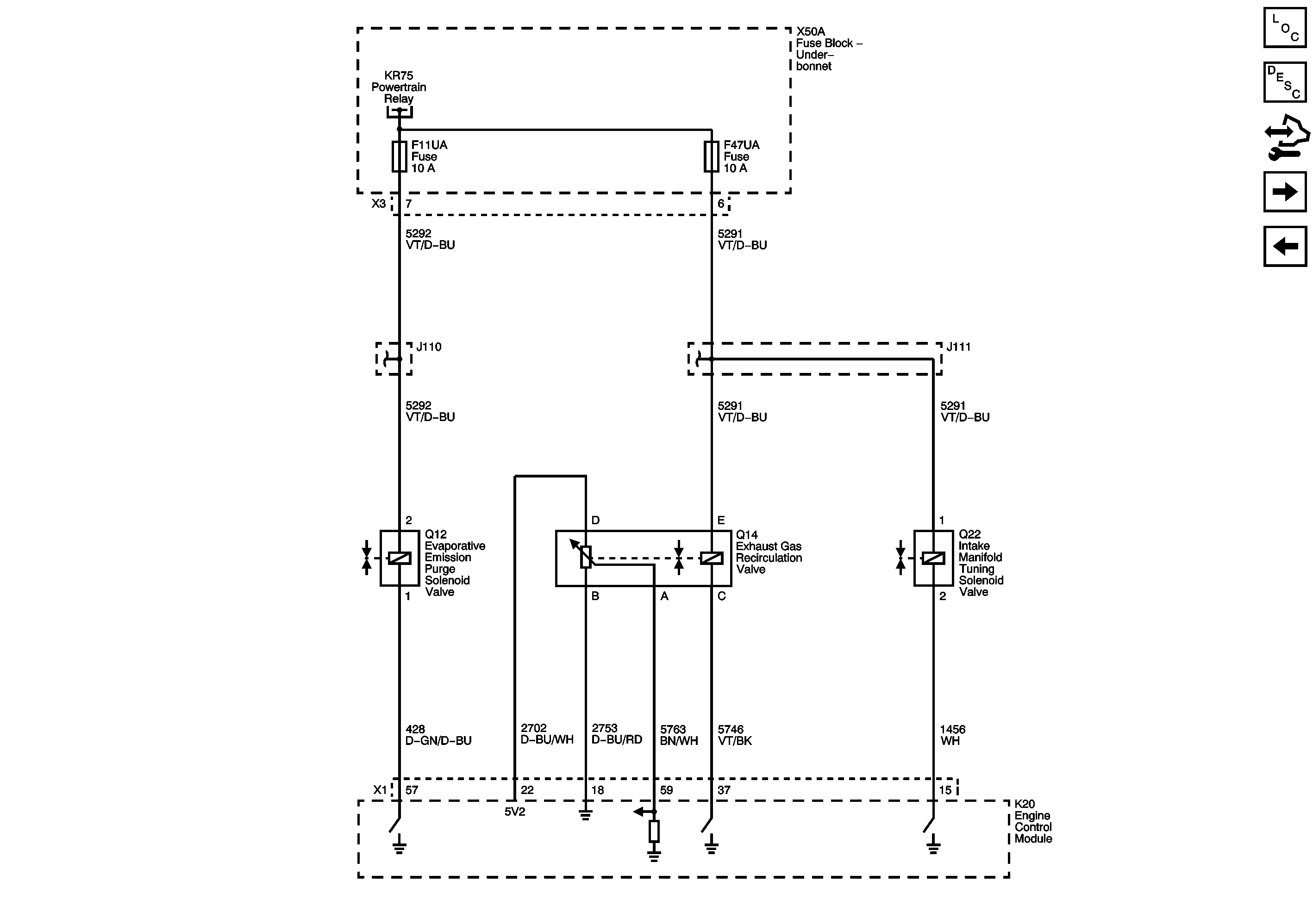
Engine Control Module Description
Fuel Controls - Fuel Injectors, Fuel Pump, and Octane Select Switch
Electrical Centre Identification Views
F8UA, F9UA, F10UA, and F11UA Fuses
| © Copyright Chevrolet. All rights reserved |