Cruze |
||||||||
|
|
|
|||||||

Master Electrical Component List
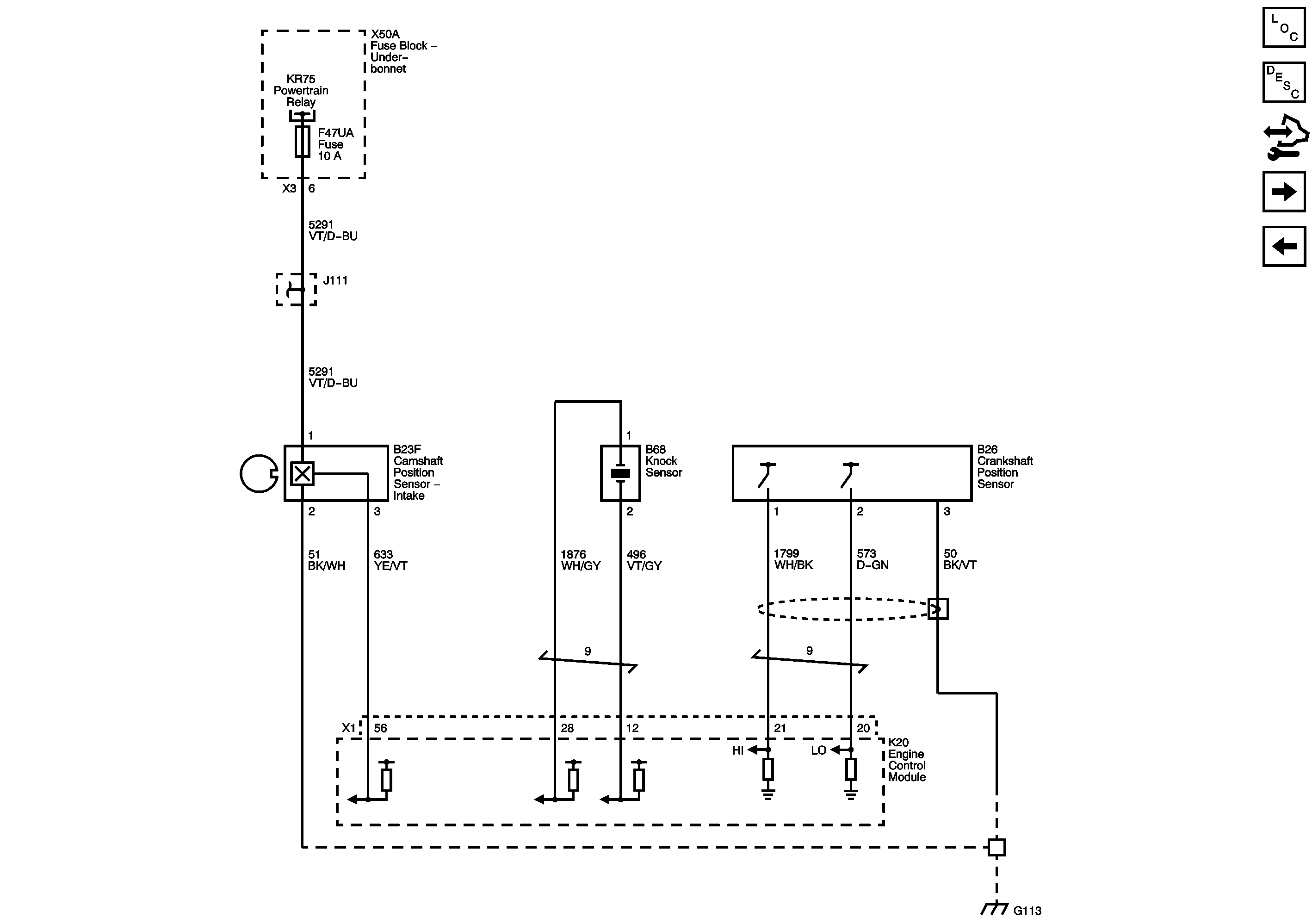
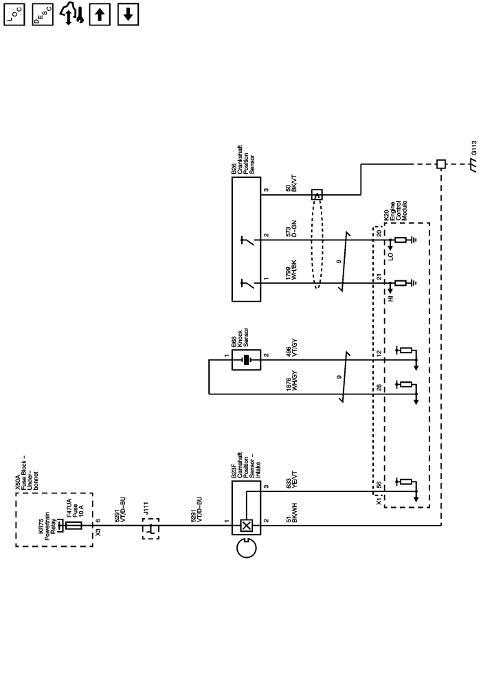
Engine Control Module Description
Fuel Controls - Fuel Injectors, Fuel Pump, and Octane Select Switch
Oxygen Sensors and Ignition System
Electrical Centre Identification Views
Master Electrical Schematic Icons
| © Copyright Chevrolet. All rights reserved |