To the top of the document
Cruze
   
GMDE Start Page Load static TOC Load dynamic TOC Help?

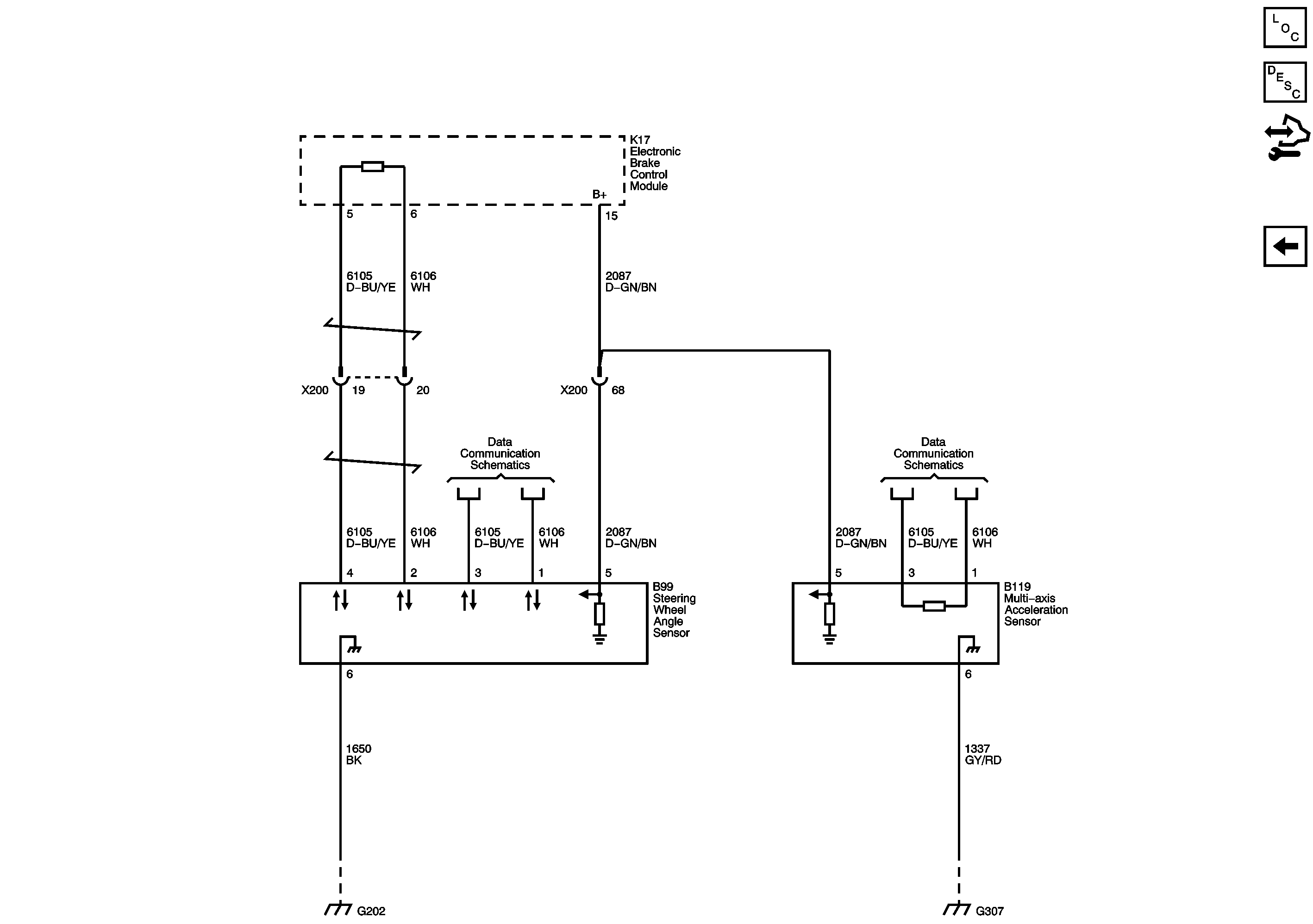
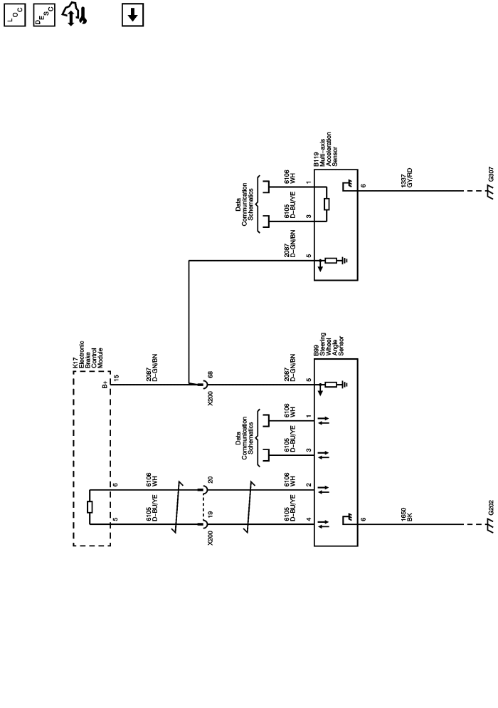
Stability Control (FX3)



            |                         |            
2443478EN.png

Display graphic

Master Electrical Component List

ABS Description and Operation

Control Module References

Wheel Speed Sensors

Master Electrical Schematic Icons

Chassis Expansion Bus (FX3)

G202

G307 and G308

   


© Copyright Chevrolet. All rights reserved